14+ 06 Dodge Ram Fuse Box Diagram PNG

14+ 06 Dodge Ram Fuse Box Diagram
PNG
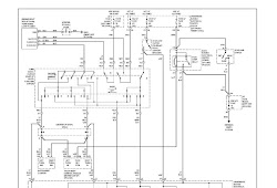
. Note in fuse box says refer to owners manual. You'll find these diagrams either on the panel for the fuse box, in a service manual or online.

34 2006 Dodge Ram 2500 Fuse Box Diagram - Wire Diagram ...
34 2006 Dodge Ram 2500 Fuse Box Diagram - Wire Diagram ... from lh6.googleusercontent.com
This is regarding the infamous fuse box (tipm) problem people have.should be a recalled item, but it's not. Getting started prepare for the repair. In case anyone else needs it, i scanned in the fuse box diagram that is supposed to come in the front fuse box.

Note in fuse box says refer to owners manual.

And the fan is fine because i have hook. Hot wired the condenser fan and it wo. 99 ford explorer fuse diagram (interior and engine bay) location, description, identification plus image locate identify which fuse or relay is blown it may be located under dash under hood in trunk find the fuse for the radio tail light. Could somebody tell me the exact fuses i need to change for my stereo.


Belum ada Komentar untuk "14+ 06 Dodge Ram Fuse Box Diagram PNG"

Posting Komentar

Iklan Atas Artikel

Iklan Tengah Artikel 1

Iklan Tengah Artikel 2

Iklan Bawah Artikel