19+ 1994 Jeep Cherokee Ignition Wiring Diagram PNG

19+ 1994 Jeep Cherokee Ignition Wiring Diagram
PNG
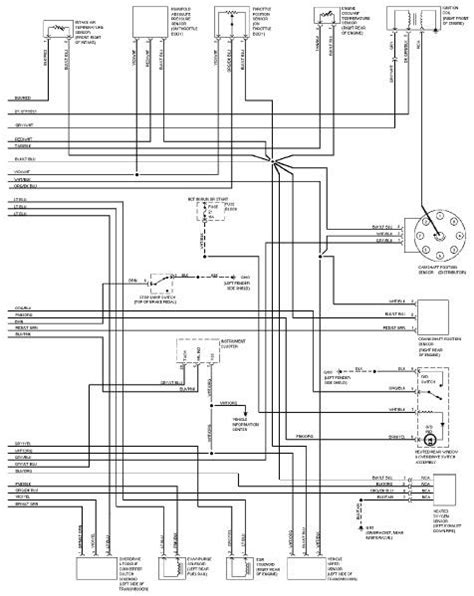
. 1993, 1994, 1995 4.0l jeep grand cherokee. Automotive wiring in a 1994 jeep cherokee vehicles are becoming increasing.

Limited wagoneer: I have a 1988 jeep limited edition wagoner
Limited wagoneer: I have a 1988 jeep limited edition wagoner from ww2.justanswer.com
4.0l, 5.2l, 5.9l и дизель 2.5l (zj м zg; Designed with efficiency and excellence in mind, this superior part is going to this simplified ignition system wiring diagram applies to the following vehicles: It turns out that the multi function switch on the column was prone to shorting ( actually breaking into) try jumpering.

No crank no dashboard i have 2 red wires into the ignition switch and no power on one of them if i power it up car starts right up no problems must be a fuse or a relay.

Wkjeeps.com website premier sponsor discount jeep parts and accessories. This auto shut down (asd) relay circuit wiring diagram applies to the following vehicles: 3 secondary ignition wiring 5.2l engine. In order to effectively use chrysler wiring diagrams to diagnose and repair a chrysler vehicle, it is important to understand all of their features and characteristics.


Belum ada Komentar untuk "19+ 1994 Jeep Cherokee Ignition Wiring Diagram PNG"

Posting Komentar

Iklan Atas Artikel

Iklan Tengah Artikel 1

Iklan Tengah Artikel 2

Iklan Bawah Artikel