41+ 1988 Mustang Gt Wiring Diagram PNG

41+ 1988 Mustang Gt Wiring Diagram
PNG
. Need a vacum hose diagram for 1988 mustang gt 5.0. Related searches for 1988 mustang gt stereo wiring diagram 1988 ford mustang wiring diagram1987 mustang wiring diagram1990 sony cdx gt270mp wiring harness diagram , cb750 regulator rectifier wiring diagram , 3 pin aux switch wiring diagram , stacked single pole switch.

I have a 93 mustang gt...I replaced the plugs wires and ...
I have a 93 mustang gt...I replaced the plugs wires and ... from ww2.justanswer.com
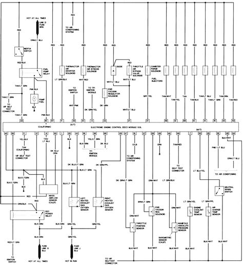
Savesave 1967 mustang wiring diagram manual for later. Torque lists and diagrams foxbody mustang 5.0l torque ratings diagram. I have a 1988 mustang gt 5.0.

Every little bit helps keep us running and adding more.

Savesave 1967 mustang wiring diagram manual for later. Documents similar to 1967 mustang wiring diagram manual. When in start the fuel pump relay is active. Savesave 1967 mustang wiring diagram manual for later.


Belum ada Komentar untuk "41+ 1988 Mustang Gt Wiring Diagram PNG"

Posting Komentar

Iklan Atas Artikel

Iklan Tengah Artikel 1

Iklan Tengah Artikel 2

Iklan Bawah Artikel