Download 03 Dodge Sprinter Wiring Diagram Pics

Download 03 Dodge Sprinter Wiring Diagram
Pics
. Starter wiring diagrams are here to help with your dodge remote start installation. This site helps you to save the earth from electronic waste!

Need A Sprinter Wiring Diagram Cdi Fixya | SOIDERGI
Need A Sprinter Wiring Diagram Cdi Fixya | SOIDERGI from www.soidergi.com
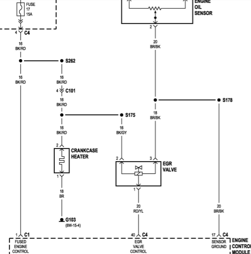
Dodge neon sport 1998 system wiring diagrams. Starter wiring diagrams are here to help with your dodge remote start installation. Auto service repair manuals and wiring diagrams.

This site helps you to save the earth from electronic waste!

Sprinter 2006 automobile pdf manual download. Superior power and performance is a snap with optional equipment designed to optimize the fuel system as well as guidance components. Dodge dakota 1996 wiring diagrams sch dodge grand caravan es 1993 wiring diagrams sch dodge intrepid 2001 service dodge intrepid es 1995. Dodge ram, ram van parts catalog18/12/2013.


Belum ada Komentar untuk "Download 03 Dodge Sprinter Wiring Diagram Pics"

Posting Komentar

Iklan Atas Artikel

Iklan Tengah Artikel 1

Iklan Tengah Artikel 2

Iklan Bawah Artikel