Get 1992 Chevrolet Silverado Wiring Diagram Pictures

Get 1992 Chevrolet Silverado Wiring Diagram
Pictures
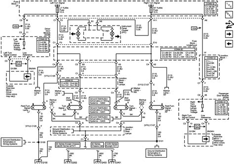
. If you want to troubleshoot a headlight problem in your chevrolet siverado, you'll need this headlight wiring diagram. Wiring diagrams, spare parts catalogue, fault codes free download.

Chevrolet C/K 1500 Questions - 1994 Chevy 1500 starter ...
Chevrolet C/K 1500 Questions - 1994 Chevy 1500 starter ... from static.cargurus.com
1992, 1993, 1994, 1995 chevrolet/gmc 1500, 2500, and 3500 pick up and suburban equipped with a 4.3l v6, or a 5.0l v8, or a 5.8l v8. 800 x 600 px, source: Unlike many other headlight systems, the normal headlights and drl lights are two separate systems, but they're.

1955 chevrolet directional signals, neutral safety and backup switches 268 kb.

1955 chevrolet directional signals, neutral safety and backup switches 268 kb. 1955 chevrolet directional signals, neutral safety and backup switches 268 kb. Find solutions to your wiring diagram chevy silverado question. Forums 2010 chevy express 2500 wiring diagram elegant 1994 2007 chevrolet silverado 1500 stereo wire schematic car 2002 chevy silverado stereo wiring diagram.


Belum ada Komentar untuk "Get 1992 Chevrolet Silverado Wiring Diagram Pictures"

Posting Komentar

Iklan Atas Artikel

Iklan Tengah Artikel 1

Iklan Tengah Artikel 2

Iklan Bawah Artikel