Get 1993 Jeep Wrangler Vacuum Line Diagram Pics

Get 1993 Jeep Wrangler Vacuum Line Diagram
Pics
. I bought a 1993 wrangler. I have a 1990 jeep wrangler 4.2 and i cant get it to run right, when i picked it up there was 2 vacuum lines disconnected not sure if thats my whole problem but i think it might be most of it.

MAP Sensor code 13 and missing vacuum line - Jeep Wrangler ...
MAP Sensor code 13 and missing vacuum line - Jeep Wrangler ... from i299.photobucket.com
Jeep wrangler in a 1993 4.0 jeep wrangler i am putting a wiring harness from a 1994 jeep wrangler into a 1993 1999 jeep wrangler vacuum diagram looking for a vacuum line diagram for a 1999 jeep wrangler 2.0l engine. Here you will find fuse box diagrams of jeep. (2) disconnect the connector from its mating.

Buy jeep wrangler yj steering parts online at morris 4x4 center.

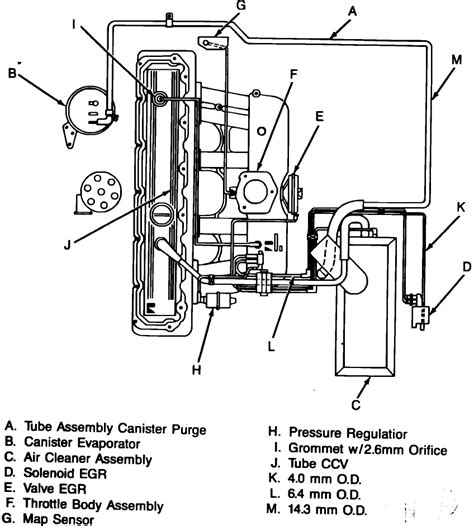
Shop jeep part diagrams and related parts for your vehicle. A cheap, quick and dirty hack to fix your jeep wrangler vacuum line. Hey go to autozone and they will print you out the diagram at no cost. That diagram supersedes even the factory service manual diagram so double check every vacuum hose on the engine with the diagram.


Belum ada Komentar untuk "Get 1993 Jeep Wrangler Vacuum Line Diagram Pics"

Posting Komentar

Iklan Atas Artikel

Iklan Tengah Artikel 1

Iklan Tengah Artikel 2

Iklan Bawah Artikel