View 08 Jeep Patriot Wiring Diagram PNG

View 08 Jeep Patriot Wiring Diagram
PNG
. This (like all of our manuals) is available to. Jeep grand cherokee limited 2010 jeep grand cherokee.

68272285AB - Genuine Jeep WIRING-LIFTGATE
68272285AB - Genuine Jeep WIRING-LIFTGATE from www.moparpartsgiant.com
Designed to indulge, patriot limited seamlessly blends high style and ability. It is over 5 megabytes so i will need an. This (like all of our manuals) is available to.

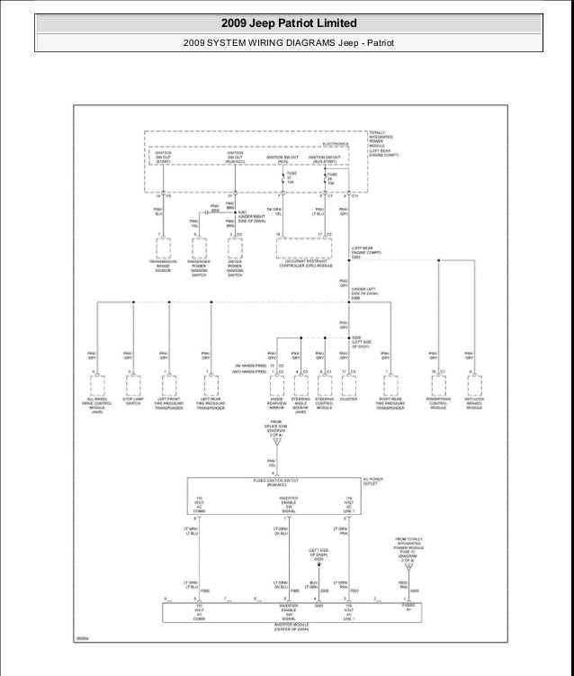
Click to zoom in or use the links below to download a printable word document or a printable pdf document.

Jeep patriot service and repair manuals. The wire harness that goes out from the radio goes into the adapter and the adapter plugs into the car harnesses. Never replace a fuse with another fuse of higher amp rating. Jeep patriot workshop, repair and owners manuals for all years and models.


Belum ada Komentar untuk "View 08 Jeep Patriot Wiring Diagram PNG"

Posting Komentar

Iklan Atas Artikel

Iklan Tengah Artikel 1

Iklan Tengah Artikel 2

Iklan Bawah Artikel