View 1969 Chevy Camaro Wiring Diagram Pics

View 1969 Chevy Camaro Wiring Diagram
Pics
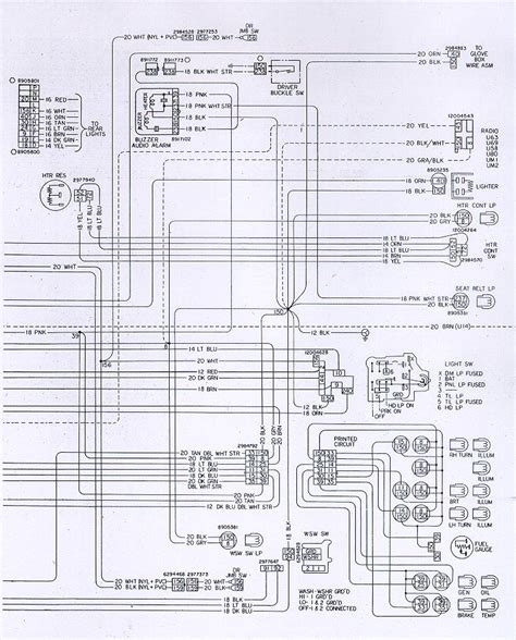
. Reprint of the original wiring diagram manual. The camaro speaker wires will vary depending on what came with your chevy from the factory.

Camaro and Firebird 1990 to 2015 Broken Stereo Diagnostic ...
Camaro and Firebird 1990 to 2015 Broken Stereo Diagnostic ... from cimg3.ibsrv.net
C1 should be blue c2 should be red verify by comparing the wire colors to the i smell a sticky! Select your year, make and model. App contains wiring diagrams specific to your vehicle.

Hi jim, i am interested in purchasing the color wiring info for a 1969 z28 camaro for the insturment panel w/out gauges at the present time team camaro tech.

Question about chevrolet 1969 chevy camaro. We are proud to have the ability to make vehicle specific free wiring diagrams available on request. And would like to share them, please send to chevymanuals@yahoo.com. Wiring diagrams, spare parts catalogue, fault codes free download.


Belum ada Komentar untuk "View 1969 Chevy Camaro Wiring Diagram Pics"

Posting Komentar

Iklan Atas Artikel

Iklan Tengah Artikel 1

Iklan Tengah Artikel 2

Iklan Bawah Artikel