22+ 10 Wiring Diagram Tundra Pics

22+ 10 Wiring Diagram Tundra
Pics
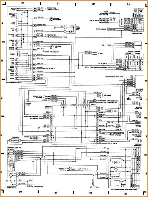
. Some toyota tundra wiring diagrams are above the page. Toyota tundra 2010 wiring diagram.txt.

A51893 2007 08 2012 Toyota Tundra Sequoia Radio MP3 Player
A51893 2007 08 2012 Toyota Tundra Sequoia Radio MP3 Player from cdn11.bigcommerce.com
I'll update again once i've successfully assembled this harness. I need wiring diagram for 2010 toyota tundra. Appreciate this post, it really helped me on understanding the secondary air injection system and input controls on my 08 tundra.

English tundra alpine installation manual.pdf manual showing how to install the alpine stereo unit system.

06 toyota tundra wiring diagram. I bought an '08 tundra without the factory tow package, and i need to add a brake controller. The wiring diagram in the back of my haynes manual is useless for this application. I'll email you the wiring diagrams that cover that.


Belum ada Komentar untuk "22+ 10 Wiring Diagram Tundra Pics"

Posting Komentar

Iklan Atas Artikel

Iklan Tengah Artikel 1

Iklan Tengah Artikel 2

Iklan Bawah Artikel