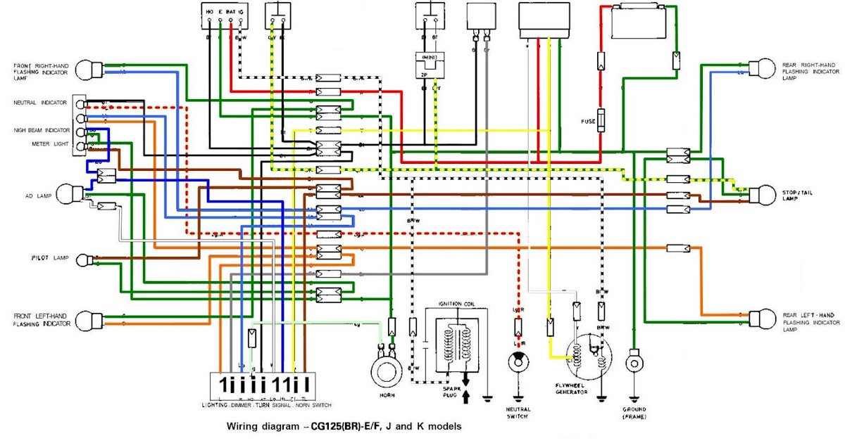
29+ 125Cc Motorcycle Wiring Diagram PNG

29+ 125Cc Motorcycle Wiring Diagram
PNG
. 100%(1)100% found this document useful (1 vote). Piranha yx140 and others with 2 yellow accessory leads.

Lifan 110cc Motorcycle Mini Chopper Wiring Diagram
Lifan 110cc Motorcycle Mini Chopper Wiring Diagram from schematron.org
Motorcycle manuals, carl salter, website about motorbikes. Note:please check your old style before your odering , thanks. Please check the wiring diagram first before installation, and please consult or hire a mechanic to install this wiring harness if you are not sure about the wirings.

531 products of wiring / cords from all around the world can be found at webike!

Jon pardue wiring diagram expert. £5 each online or download them in pdf format for free here!! Motorcycle manufacturers continually make changes to specifications and recommendations, and these, when notified, are incorporated into our manuals at the earliest opportunity. Japanese brand honda is known as one of the largest motorcycle since 2013, the company has been working on the development of intermediate classes and has been producing models with 500cc engines (cbr500r.


Belum ada Komentar untuk "29+ 125Cc Motorcycle Wiring Diagram PNG"

Posting Komentar

Iklan Atas Artikel

Iklan Tengah Artikel 1

Iklan Tengah Artikel 2

Iklan Bawah Artikel