33+ 06 Chevy Impala Wiring Diagram Pictures

33+ 06 Chevy Impala Wiring Diagram
Pictures
. Location of oil sensor please location of oil sending unitdo. Where can i find a wiring diagram for a 2008 impala.

2006 Impala Wiring Diagram
2006 Impala Wiring Diagram from repairguide.autozone.com
I have a 1965 chevy impala that came with a vinyl top and its missing the vinyl trim 3pieces that go along the bottom. Have the protected from short circuits by a headlamp wiring checked right away combination of fuses and circuit the vehicle has fuses and circuit if the lamps go on and off or breakers. On the 2006 impala that whining noise is actually the electronics when you accelerate.

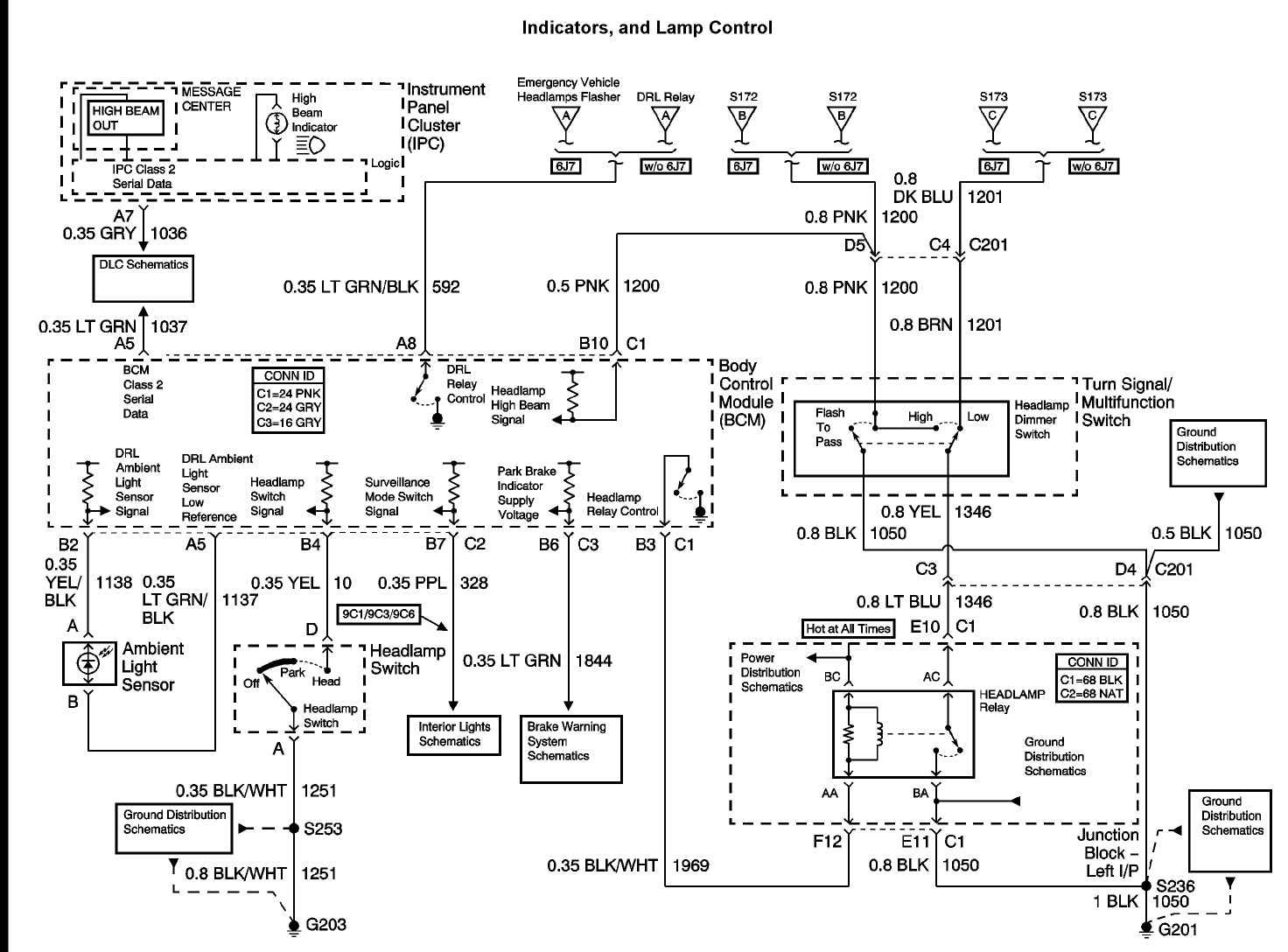
The following ignition system wiring diagrams apply only to the 2006, 2007, 2008, and 2009 3.9l v6 chevrolet impala.

Larger wires and tight connections will provide longer service life for components. A forum community dedicated to chevy impala owners and enthusiasts. Wiring diagram 2008 chevy impala? Spanning over 10 generations and models of impala, owners save money by using this impala stereo wiring guide to wire up your aftermarket radio.


Belum ada Komentar untuk "33+ 06 Chevy Impala Wiring Diagram Pictures"

Posting Komentar

Iklan Atas Artikel

Iklan Tengah Artikel 1

Iklan Tengah Artikel 2

Iklan Bawah Artikel