Download 01 Dodge Dakota Wiring Diagram Images

Download 01 Dodge Dakota Wiring Diagram
Images
. The second generation dodge dakota was introduced in 1997. Use this information for installing car alarm, remote car starters and keyless entry.

I need a wiring diagram for a 1989 dodge dakota 6 cy. 2x4
I need a wiring diagram for a 1989 dodge dakota 6 cy. 2x4 from www.justanswer.com
Buy oem and aftermarket dodge dakota parts online at discounted prices. I know i had a copy of it a couple years ago but can't find it now. With this kit available from napa/dorman, make sure to use the proper crimping tool that.

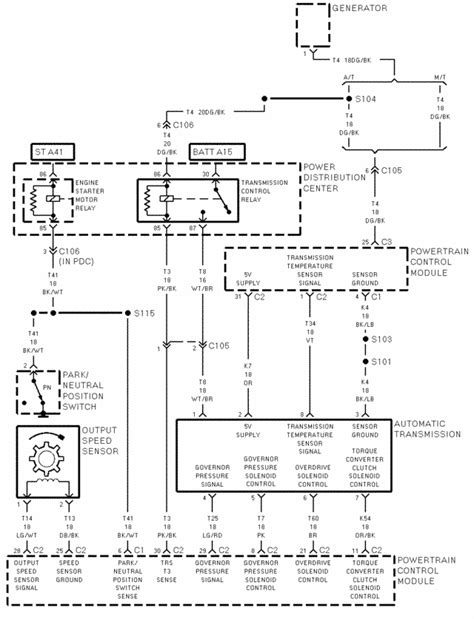
All information published in the vehicle diagram pages is gathered from sources which are thought to be reliable and accurate but we advise everyone check and verify our information by testing with a computer friendly test light to ensure proper connections are made.

The illlustrations and info in this page apply only to 1996, 1997, 1998 dodge ram pickups, vans, and dakota with a 3.9l, 5.2l or 5.9l gasoline engine (that use the 3 connector pcm). Ignition coil circuits, asd relay circuit, crankshaft position. Download free dodge dakota repair manuals pdf online: Use this information for installing car alarm, remote car starters and keyless entry.


Belum ada Komentar untuk "Download 01 Dodge Dakota Wiring Diagram Images"

Posting Komentar

Iklan Atas Artikel

Iklan Tengah Artikel 1

Iklan Tengah Artikel 2

Iklan Bawah Artikel