Get 1991 Acura Legend Wiring Diagram Background

Get 1991 Acura Legend Wiring Diagram
Background
. A wiring diagram, for a 1991 pontiac firebird, can be obtained from most general motors dealerships. This video demonstrates the acura legend complete wiring diagrams and details of the wiring harness.

Integra Wiring Harness Diagram
Integra Wiring Harness Diagram from i0.wp.com
Disconnect the wire connector 3. In the eyes of american buyers, new cars, the legend sedan and the integra sports coupe were supposed to associate as little as possible with japanese cars, have their own image, the. It was sold in the u.s., canada, and parts of china under honda's luxury brand, acura, from 1985 to 1995, as both a sedan.

Along with the integra, the acura legend was the other of acura's earliest models ever manufactured in north america.

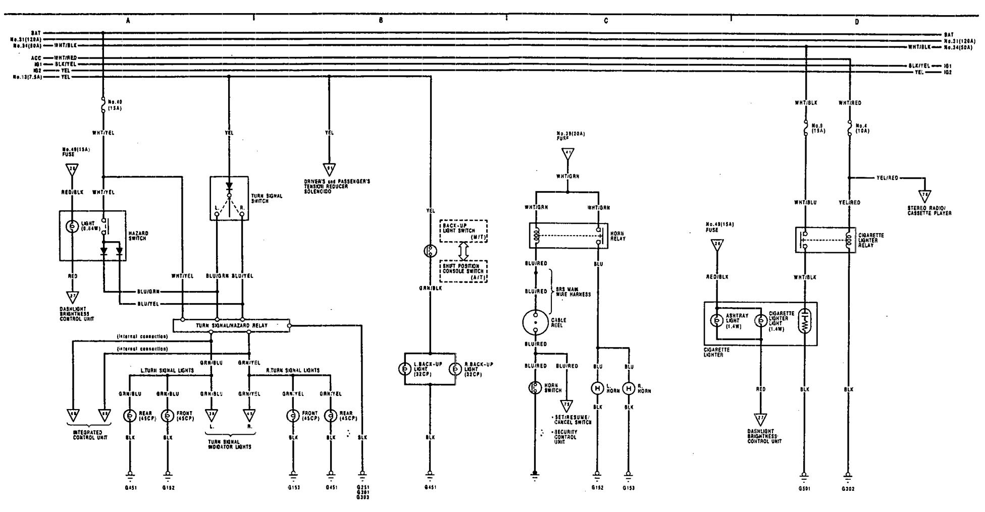
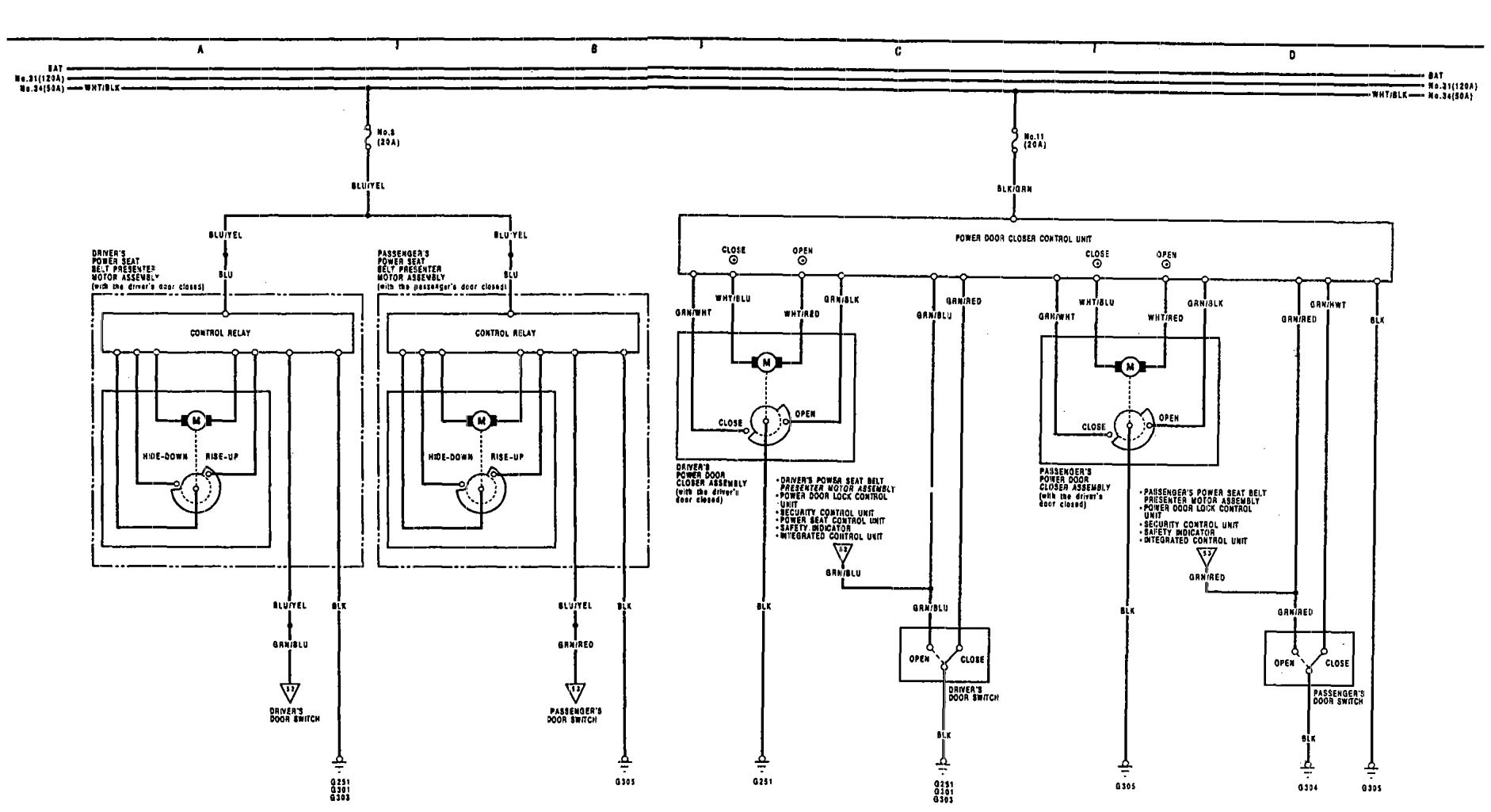
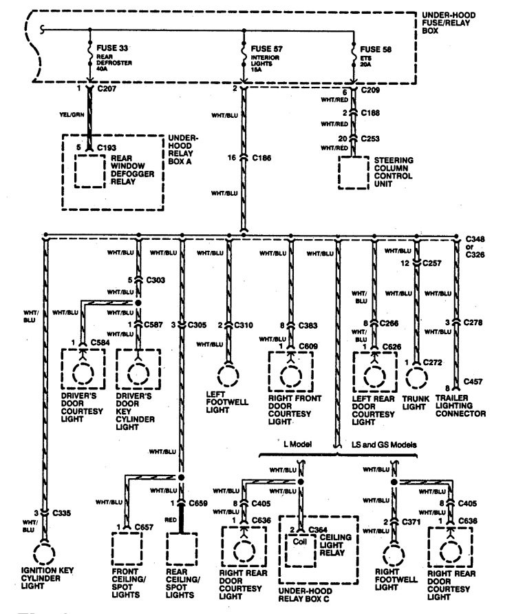
Acura legend starting system wiring diagram. 1994 1996 acura integra engine schematic. Get immediate support for your 1991 acura legend questions from helpowl.com. 2003 acura tl electrical wiring diagrams.jpg.


Belum ada Komentar untuk "Get 1991 Acura Legend Wiring Diagram Background"

Posting Komentar

Iklan Atas Artikel

Iklan Tengah Artikel 1

Iklan Tengah Artikel 2

Iklan Bawah Artikel