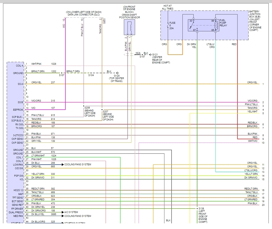
View 01 Escape Wiring Diagram Pictures

View 01 Escape Wiring Diagram
Pictures
. Maximum available current limit when the heated seats option is installed and used. Smart junction box (sjb) fuse 18 (20a), circuit sbp18 (ye/rd) for the heated seats is at.

2006 Ford Escape Mercury Mariner Wiring Diagrams ...
2006 Ford Escape Mercury Mariner Wiring Diagrams ... from i.ebayimg.com
Vw 1500 sedan and convertible wiring key. Volvo truck workshop manual free download pdf. Smart junction box (sjb) fuse 18 (20a), circuit sbp18 (ye/rd) for the heated seats is at.

Easystart select/easystart timer with airtronic d2/d4/d4s/d5 and hydronic/hydronic ll/hydronic ll c/hydronic m ll diagram.

The vjd1 rocker switch has 7 prongs on the back, called terminals. I found one at ford online for $229 which is a bit out of my price range. To locate the correct wiring diagram for your vehicle you will need: Anyone have toyota soarer wiring diagrams vvti motor.


Belum ada Komentar untuk "View 01 Escape Wiring Diagram Pictures"

Posting Komentar

Iklan Atas Artikel

Iklan Tengah Artikel 1

Iklan Tengah Artikel 2

Iklan Bawah Artikel