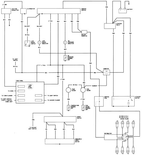
View 1973 Dodge Dart Sport Wiring Diagram Gif

View 1973 Dodge Dart Sport Wiring Diagram
Gif
. This 1973 dodge chassis service manual licensed detroit. We have 18 dodge vehicles diagrams, schematics or service manuals to choose from, all free to download!

2014 Dodge Dart Wiring Diagram - Wiring Diagram 89
2014 Dodge Dart Wiring Diagram - Wiring Diagram 89 from images.sonicelectronix.com
There are 11 1973 dodge darts for sale today on classiccars.com. 1993 2010 impreza, wrx, and sti and 2002 07 outback sport abs wiring diagrams, harness routing, and connector. I have a 97 harness,partial,and a 99 harness, 1964 dodge dart.

If you want 1 or 2 page, someone may help you out.

Dodge ram 2005, wiring diagrams. The perfect book for modifying dodge dart 1973, 1973 dodge chassis service manual by detroit iron®. This 1973 dodge chassis service manual licensed detroit. Getting more excited, and can't wait to hear this thing run.


Belum ada Komentar untuk "View 1973 Dodge Dart Sport Wiring Diagram Gif"

Posting Komentar

Iklan Atas Artikel

Iklan Tengah Artikel 1

Iklan Tengah Artikel 2

Iklan Bawah Artikel