29+ 1972 Mgb Wiring Diagram Schematic Pics

29+ 1972 Mgb Wiring Diagram Schematic
Pics
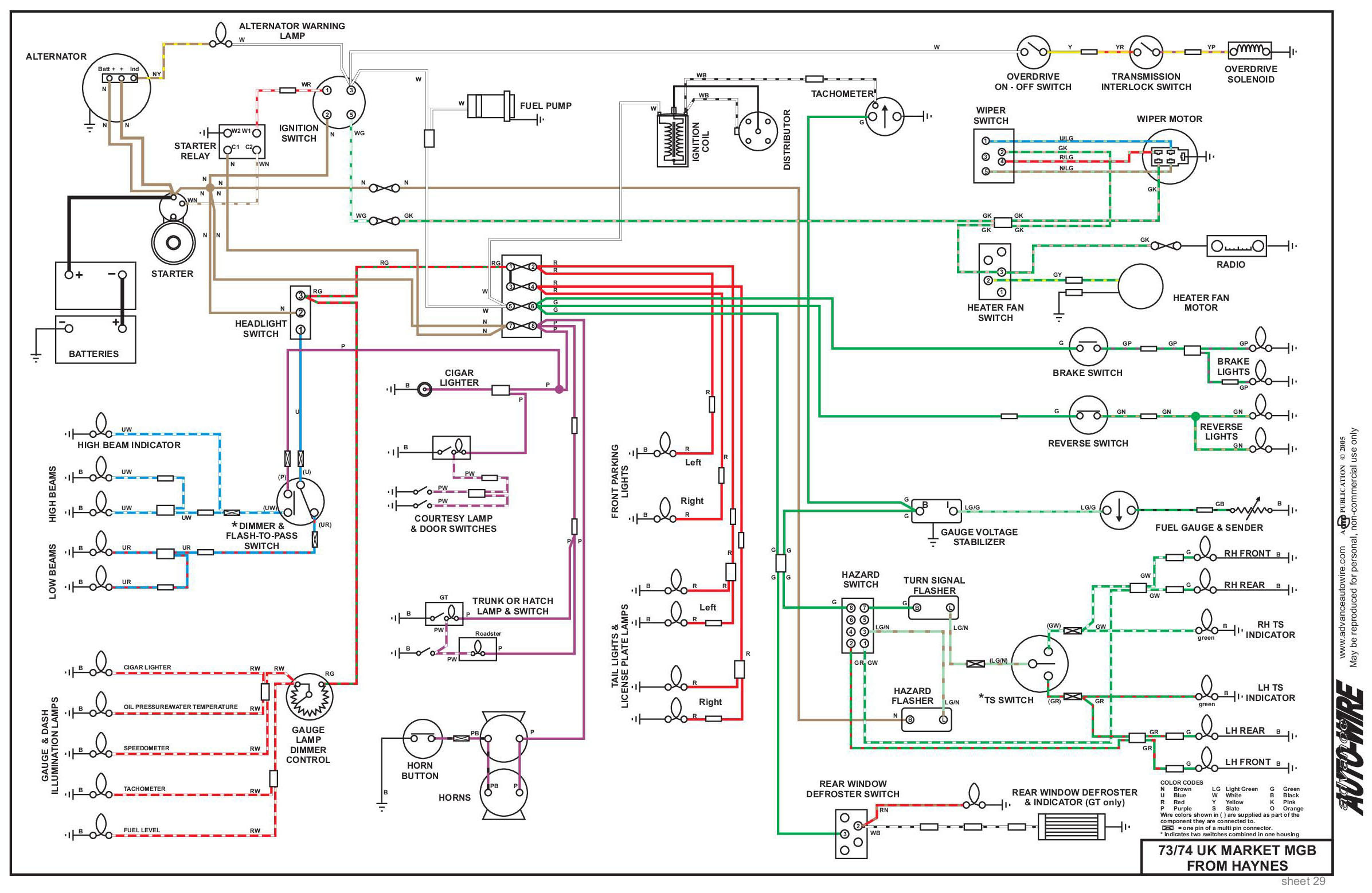
. A wiring diagram is a simplified conventional pictorial representation of an electrical circuit. Merged version headlights highlight turn signals highlight wiper highlight alternator highlight dome vanagon instrument panel rewire diagram (pdf) notes:

mg midget 1500 wiring diagram - Wiring Diagram
mg midget 1500 wiring diagram - Wiring Diagram from mainetreasurechest.com
50%(2)50% found this document useful (2 votes). These are standard so you can be sure that if it the same plug it will put out the same power. Warning modification, substitution or elimination of factory equipped, supplied or specified components may result in personal injury or loss of life.

C15 cat engine wiring schematics [gif, e.

And shall not be reproduced or used as the basis for the manufacture or. 50%(2)50% found this document useful (2 votes). Its components are shown by the pictorial to be easily identifiable. Schematic when wiring the idiot lights.


Belum ada Komentar untuk "29+ 1972 Mgb Wiring Diagram Schematic Pics"

Posting Komentar

Iklan Atas Artikel

Iklan Tengah Artikel 1

Iklan Tengah Artikel 2

Iklan Bawah Artikel