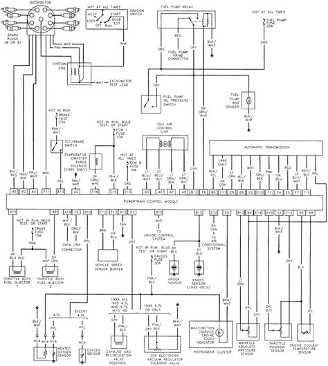
Download 1994 E4Od Transmission Wiring Diagram Gif

Download 1994 E4Od Transmission Wiring Diagram
Gif
. Ford e4od automatic transmission specs, ratios, and information. While the e4od remained the only automatic transmission available behind the power stroke diesel through the 1998 model year, it may be necessary to distinguish the e4od from the lighter duty aod/aode in gasoline.

Ford 4r100 Transmission Wiring Diagram Gallery
Ford 4r100 Transmission Wiring Diagram Gallery from wholefoodsonabudget.com
For the car the egs come from and i cant find any place i can get a wiring digram for the egs. You can also find it in the owner's manual. Provides circuit diagrams showing the circuit connections.

Free repair manuals & wiring diagrams.

See photos of our premier power welder installed in various vehicles, jeeps, trucks, tractors. Volvo fh12 fh16 rhd wiring diagramc wiring diagram.pdf. The e4od is based on the original c6 design with the addition of computer controls, an overdrive gear, and other minor changes. Engine 2006 eclipse pdf manual.


Belum ada Komentar untuk "Download 1994 E4Od Transmission Wiring Diagram Gif"

Posting Komentar

Iklan Atas Artikel

Iklan Tengah Artikel 1

Iklan Tengah Artikel 2

Iklan Bawah Artikel