Get 1989 35Mercruiser Engine Wiring Diagram Background

Get 1989 35Mercruiser Engine Wiring Diagram
Background
. We have 1 mercruiser 305 cid (5) manual available for free pdf download: Refer to water flow diagrams.

1989 Toyota pickup 22-re; the oxygen sensor plug male end ...
1989 Toyota pickup 22-re; the oxygen sensor plug male end ... from ww2.justanswer.com
Download a repair manual for your mercruiser sterndrive or engine in seconds. ~ i,!l numbers indigate the suggested order of disassembly. Refer to water flow diagrams.

When operating a mercruiser engine on gasoline containing alcohol, storage of remove coil wire from tower on distributor cap.

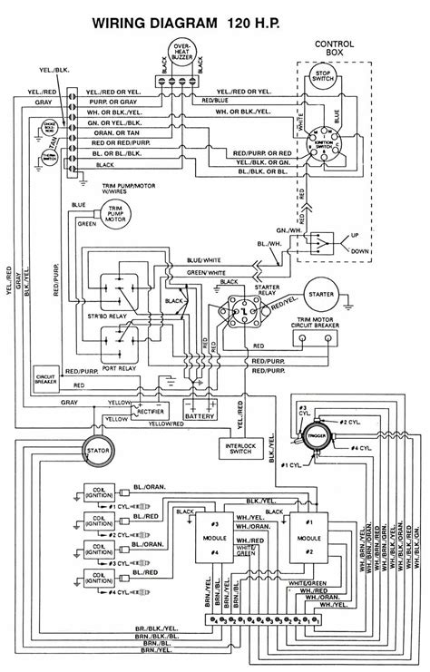
Instantly download a mercruiser engine & sterndrive repair manual ray 260 wiring diagram mercruiser. Cummins n14 celect wiring diagram, best images cummins n14 celect wiring diagram added on wiring diagram. A mercruiser repair manual is a book of instructions that teaches you how to maintain, fix or restore the inboard engine or. Wiring diagrams 3.0l engine wiring diagram (breaker points ignition) alternator water temperature sender optional audio cooling system flow diagram mercruiser engines with standard cooling systems then circulates the seawater through the block, head use seawater.


Belum ada Komentar untuk "Get 1989 35Mercruiser Engine Wiring Diagram Background"

Posting Komentar

Iklan Atas Artikel

Iklan Tengah Artikel 1

Iklan Tengah Artikel 2

Iklan Bawah Artikel