Get 1994 Chevy S10 Pick Up Wiring Diagrams Images

Get 1994 Chevy S10 Pick Up Wiring Diagrams
Images
. Where can i find authentic chevrolet workshop manual and wiring diagrams for a 2007 impala? Engine won u0026 39 t crank 1999 chevy s10 ls 2 2l.

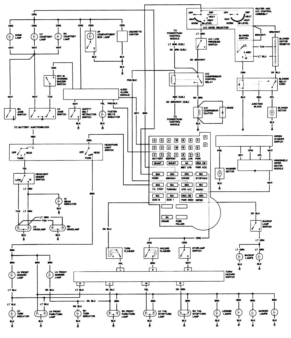
where can I find 1994 chevrolet factory electrical wiring ...
where can I find 1994 chevrolet factory electrical wiring ... from repairguide.autozone.com
This premium product is the best way to go for those looking for the highest quality replacement that offers supreme levels of quality, performance and reliability. I need two wiring diagrams 1. It is important to select your exact vehicle year as wiring inside the vehicle could change even though the vehicle appearance is the.

Maintenance & repairs · 10 years ago.

What is the wiring diagram for the wires and a diagram of the firing order ?… read more. What is the wiring diagram for the wires and a diagram of the firing order ?… read more. Care to go for a full house and give the model? 1992, 1993, 1994, 1995 chevrolet/gmc 1500, 2500, and 3500 pick up and suburban equipped with a 4.3l v6, or a 5.0l v8.


Belum ada Komentar untuk "Get 1994 Chevy S10 Pick Up Wiring Diagrams Images"

Posting Komentar

Iklan Atas Artikel

Iklan Tengah Artikel 1

Iklan Tengah Artikel 2

Iklan Bawah Artikel