View 1991 Volvo 240 Wiring Diagram Pics

View 1991 Volvo 240 Wiring Diagram
Pics
. These service manuals will help you to repair your 240 or 260, fix some small things, service the car and how to install accessories and upgrades. Volvo truck wiring diagrams pdf;

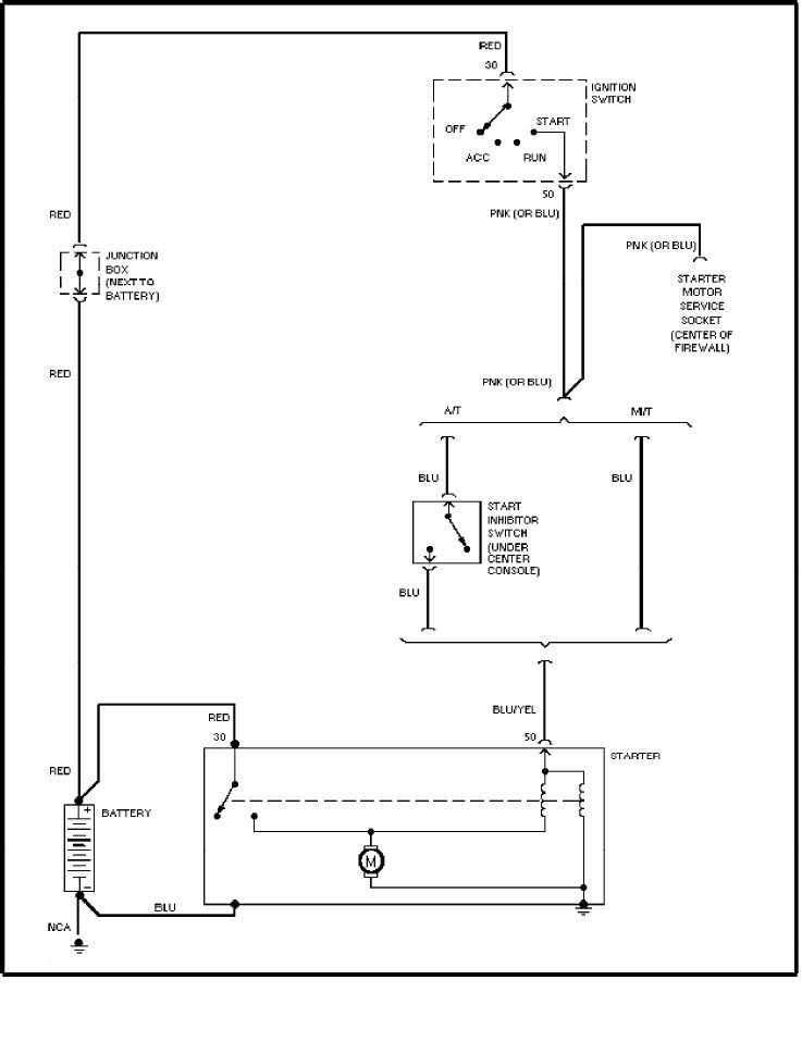
I have a 1987 volvo 240 DL & the car will not start. I ...
I have a 1987 volvo 240 DL & the car will not start. I ... from ww2.justanswer.com
Volvo fh12 fh16 rhd wiring diagramc wiring diagram.pdf. Volvo truck wiring diagrams free download. Volvo truck workshop manual free download pdf.

Wiring diagram for 1991 36 volt club car golf cart?

Rep + thanks = password in pm. Does anyone know the color codes for the tail light wires for a 1991 volvo 240 wagon? Rights reserved in the event of the grant of a patent, utility model or. These service manuals will help you to repair your 240 or 260, fix some small things, service the car and how to install accessories and upgrades.


Artikel Terkait

Belum ada Komentar untuk "View 1991 Volvo 240 Wiring Diagram Pics"

Posting Komentar

Iklan Atas Artikel

Iklan Tengah Artikel 1

Iklan Tengah Artikel 2

Iklan Bawah Artikel