13+ 08 Dodge Caliber Fuse Diagram Background

13+ 08 Dodge Caliber Fuse Diagram
Background
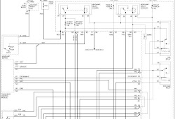
. For dodge caliber 2007, 2008, 2009, 2010, 2011, 2012 model year. 2008 dodge caliber engine diagram.

35 2009 Dodge Charger Fuse Box Diagram - Wire Diagram ...
35 2009 Dodge Charger Fuse Box Diagram - Wire Diagram ... from www.justanswer.com
The video above shows how to replace blown fuses in the interior fuse box of your 2008 dodge caliber in addition to the fuse panel diagram location. Hey there, does anyone know where i can download a diagram for the 2007 dodge caliber fuse box? Check out the diagrams (below).

I was traveling with a power inverter and while traveling with my children in the back seat, the wires to the power inverter became exposed.

Dodge caliber fuse box problems 99 answers. More about dodge caliber fuses, see our website: For dodge caliber 2007, 2008, 2009, 2010, 2011, 2012 model year. Integrated power module (ipm) • the integrated power module (ipm) is located in the engine compartment near the air cleaner assembly.


Belum ada Komentar untuk "13+ 08 Dodge Caliber Fuse Diagram Background"

Posting Komentar

Iklan Atas Artikel

Iklan Tengah Artikel 1

Iklan Tengah Artikel 2

Iklan Bawah Artikel