32+ 1994 Honda Prelude Wiring Diagram Background

32+ 1994 Honda Prelude Wiring Diagram
Background
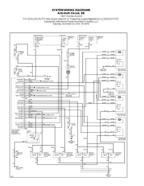
. 7)1993 honda preludefor cadi centre nsk ca 95051copyright 1998 mitc power mirror circuit. We have 176 honda prelude manuals covering a total of 64 years of production.

92 Prelude Wiring Diagram - Wiring Diagram
92 Prelude Wiring Diagram - Wiring Diagram from static-resources.imageservice.cloud
Engine wire diagram accord 90.gif accord. Commando car alarms offers free wiring diagrams for honda cars and trucks. The honda prelude is a 2 door compact sports car that was based on the popular honda accord and has been produced for five generations beginning from its launch in.

Honda motorcycle wiring diagrams (13).

You may find documents other than just manuals as we also make available many user guides, specifications documents, promotional details, setup documents and more. Moreover, they have the automotive shops online software called alldata. 7)1993 honda preludefor cadi centre nsk ca 95051copyright 1998 mitc power mirror circuit. Honda common maintenance repair service manual.


Belum ada Komentar untuk "32+ 1994 Honda Prelude Wiring Diagram Background"

Posting Komentar

Iklan Atas Artikel

Iklan Tengah Artikel 1

Iklan Tengah Artikel 2

Iklan Bawah Artikel