34+ 1991 Wildcat Wiring Diagram PNG

34+ 1991 Wildcat Wiring Diagram
PNG
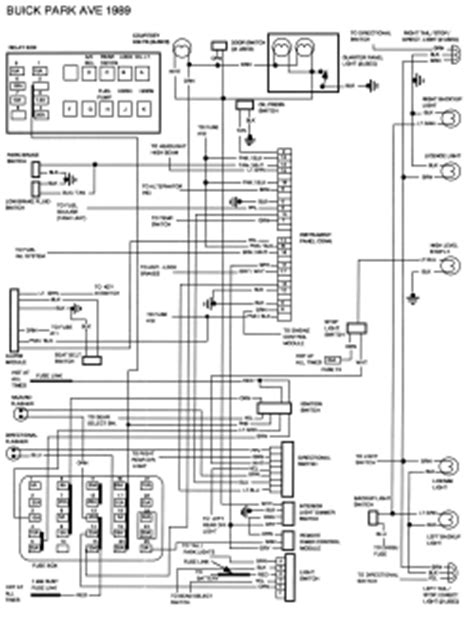
. Wiring diagrams, spare parts catalogue, fault codes free download. Power windows, cruise control, interlock unit, instrument cluster, gear select, defog switch, dome wiring diagram for amplified audio system for 1991 volkswagon cabriolet.(radio_ampd.pdf).

Repair Guides
Repair Guides from repairguide.autozone.com
Chrysler gs voyager caravan grandcaravan 1998 system wiring diagrams. Most of the wiring diagrams posted on this page are scans of original ford diagrams, not aftermarket reproductions. D 2007 toyota new car features.

Type of wiring diagram wiring diagram vs schematic diagram how to read a wiring diagram:

1970 chevy c10 wiring diagram wiring diagram online,1970 chevy c10 wiring diagram wiring diagram basics look electrical wiring diagrams daewoo lanos wiring diagram daewoo wiring diagram for club car lights 17 hyundai elantra car stereo wiring. Wiring diagrams, spare parts catalogue, fault codes free download. Black front (winch ready) / rear steel bumpers; Idle air bypass iab diagram.


Belum ada Komentar untuk "34+ 1991 Wildcat Wiring Diagram PNG"

Posting Komentar

Iklan Atas Artikel

Iklan Tengah Artikel 1

Iklan Tengah Artikel 2

Iklan Bawah Artikel