Download 1996 Monte Carlo Wiring Diagram Gif

Download 1996 Monte Carlo Wiring Diagram
Gif
. Commando car alarms offers free wiring diagrams for your chevrolet montecarlo. I'm hard wiring a radio into the car because the harness connector was all messed up.

DIAGRAM 1988 Monte Carlo Ss Wiring Diagram FULL Version ...
DIAGRAM 1988 Monte Carlo Ss Wiring Diagram FULL Version ... from 3.bp.blogspot.com
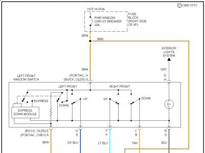
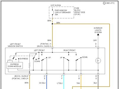
Anyone know where i can get a diagram for this? 1982, 1985, 1986, 1995, 1998, 2004 and 2006. 1955 chevrolet car wiring diagrams 3 mb.

Car came in with a switch but plug has been removed from harness.

1955 chevrolet car wiring diagrams 3 mb. Use this information for installing car alarm, remote car please select the exact year of your chevrolet montecarlo to view your vehicle sepecific diagram. Usually there arent two yellow wires coming out of the car. Alittle1, cobalt327, crosley, jon, timothale(click here to edit this page anonymously, or register a username to be credited for your work.) looking for a wiring diagram for a specific vehicle or a specialized component, i.e.


Belum ada Komentar untuk "Download 1996 Monte Carlo Wiring Diagram Gif"

Posting Komentar

Iklan Atas Artikel

Iklan Tengah Artikel 1

Iklan Tengah Artikel 2

Iklan Bawah Artikel