46+ 07 Trailblazer Wiring Diagram Images

46+ 07 Trailblazer Wiring Diagram
Images
. Volvo truck fault codes pdf; Where to find wiring diagram for a vauxhall vectra 1.7 td.

I have a 2004 Chevy Trailblazer. The a/c stopped blowing ...
I have a 2004 Chevy Trailblazer. The a/c stopped blowing ... from www.justanswer.com
Volvo fh12 fh16 rhd wiring diagramc wiring diagram.pdf. Volvo truck fault codes pdf; Control unit rear hm module.

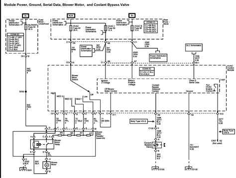
Here is a picture gallery about 2005 chevy trailblazer engine diagram complete with the description of the image, please find the image you need.

Service manual of nissan 1400 pick up nissan 1400 carburetor diagram pdf nissan 1400 carburetor manual pdf nissan 1400 bakkie engine manual pdf 1986 nissan 1400 workshop. This is the very same manual that your local dealer technician uses in repairing/servicing your vehicle. I don't post copyrighted images, i know better. Volvo truck fault codes pdf;


Belum ada Komentar untuk "46+ 07 Trailblazer Wiring Diagram Images"

Posting Komentar

Iklan Atas Artikel

Iklan Tengah Artikel 1

Iklan Tengah Artikel 2

Iklan Bawah Artikel