Get 1991 Isuzu Rodeo Radio Wiring Diagram Pictures

Get 1991 Isuzu Rodeo Radio Wiring Diagram
Pictures
. August 13, 2013 at 3:40 pm. You just connect the wiring harness for your truck to the.

2001 Isuzu Rodeo Radio Wiring Diagram - Atkinsjewelry
2001 Isuzu Rodeo Radio Wiring Diagram - Atkinsjewelry from motogurumag.com
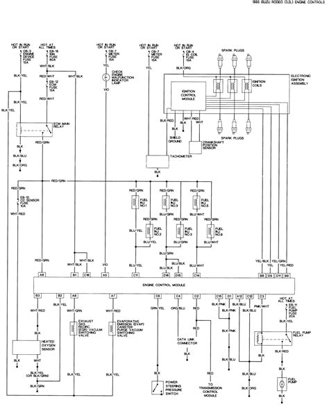
Isuzu rodeo tf model years 1988 to 2002 repair manual. Car audio wire schematic for a 1992 isuzu rodeo 4 door v6. Rodeo x22se 2.2l engine driveability and emission.

In 1993, the first representative of the isuzu n series of commercial vehicles.

Pcm wiring diagram (9 of 10). Isuzu rodeo vehicle wiring copyright triple s customs wiring information: 1992 isuzu rodeo 12v constant wire black ignition harness + + power door locks cruise control system cigarette lighter power windows blower fan windshield wiper system clock radio rev. Isuzu f & g series trucks wiring diagrams.


Belum ada Komentar untuk "Get 1991 Isuzu Rodeo Radio Wiring Diagram Pictures"

Posting Komentar

Iklan Atas Artikel

Iklan Tengah Artikel 1

Iklan Tengah Artikel 2

Iklan Bawah Artikel