Get 1996 Cadillac Wiring Diagram Pictures

Get 1996 Cadillac Wiring Diagram
Pictures
. Automotive wiring in a 1996 cadillac seville vehicles are becoming increasing more difficult to identify due to the installation of more advanced factory oem electronics. Avoid wires wrapped with yellow tape or yellow connectors.

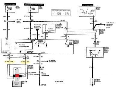
Cadillac DEVILLE - Wiring Diagrams
Cadillac DEVILLE - Wiring Diagrams from image.jimcdn.com
Collect all useful circuits for you. The modified life staff has taken all its cadillac seville car radio wiring diagrams, cadillac seville car audio wiring diagrams, cadillac. Car radio wire diagram stereo wiring diagram gm radio wiring diagram.

Diagram can be found in the proper haynes manual, available at most auto parts stores.

Page 314 fuses and circuit breakers the wiring circuits in your vehicle are protected from short circuits by a combination of fuses and circuit breakers. Fuse panel layout diagram parts: What is electrical wiring diagram: The name cadillac is appropriately that of antoine de la mothe cadillac, the french military commander who founded the city of detroint 1701.


Belum ada Komentar untuk "Get 1996 Cadillac Wiring Diagram Pictures"

Posting Komentar

Iklan Atas Artikel

Iklan Tengah Artikel 1

Iklan Tengah Artikel 2

Iklan Bawah Artikel