View 1990 C1500 V8 Wiring Diagram Background

View 1990 C1500 V8 Wiring Diagram
Background
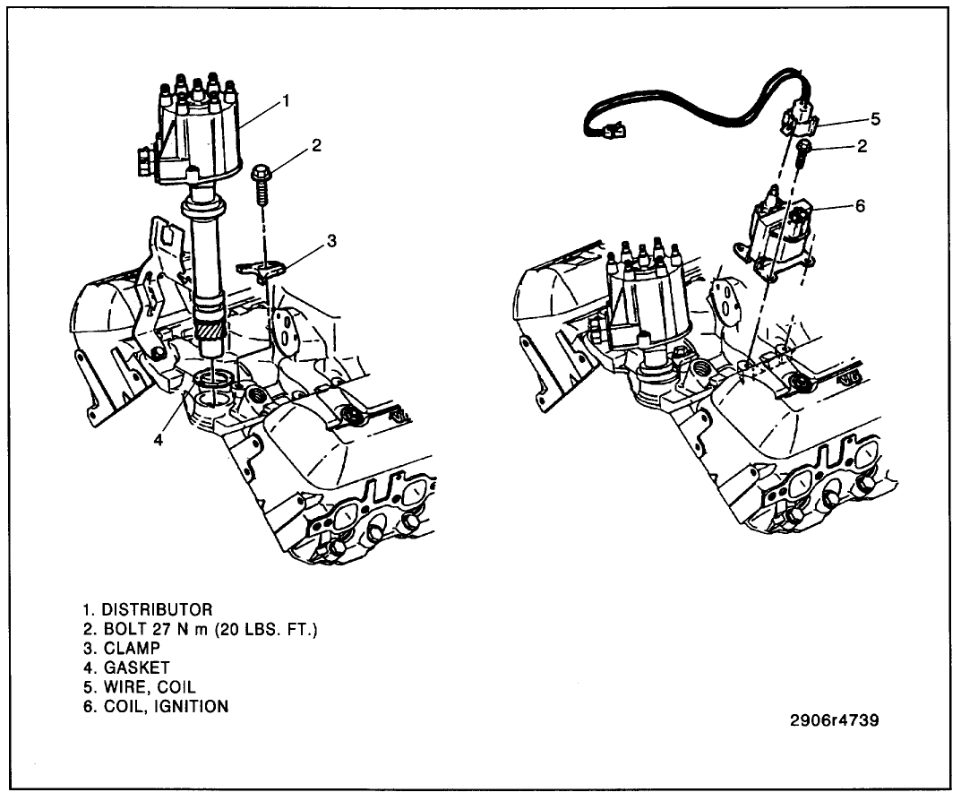
. In the diagram below #1 plug wire is the all white dot on the distributor cap at the bottom 6 oclock position (slightly to right) if you need the correct cylinder locations they are as follows: This typical circuit diagram of the ignition coil, ignition control module, and pickup coil applies to:

Pin on fuses
Pin on fuses from i.pinimg.com
This part is also sometimes called chevrolet. On this page you can free download workshop repair manuals pdf for volvo trucks, and also fault codes pdf and wiring diagrams. 1990, 1991, 1992, 1993, 1994, 1995, 1996, 1997).

I have a 91 k1500 that im putting a 2001 5.3 in and am using the wiring harness and the ecm off the truck i got the 5.3 out of and want to know if my gauges will.

This typical circuit diagram of the ignition coil, ignition control module, and pickup coil applies to: Eight hours* or overnight eight hours:c or overnight. 1991, 1990, 1989, 91, 90, 89. I need to know the wiring diagram for the brake switch.


Belum ada Komentar untuk "View 1990 C1500 V8 Wiring Diagram Background"

Posting Komentar

Iklan Atas Artikel

Iklan Tengah Artikel 1

Iklan Tengah Artikel 2

Iklan Bawah Artikel