28+ 1994 Ford Bronco Ignition Wiring Diagram Images

28+ 1994 Ford Bronco Ignition Wiring Diagram
Images
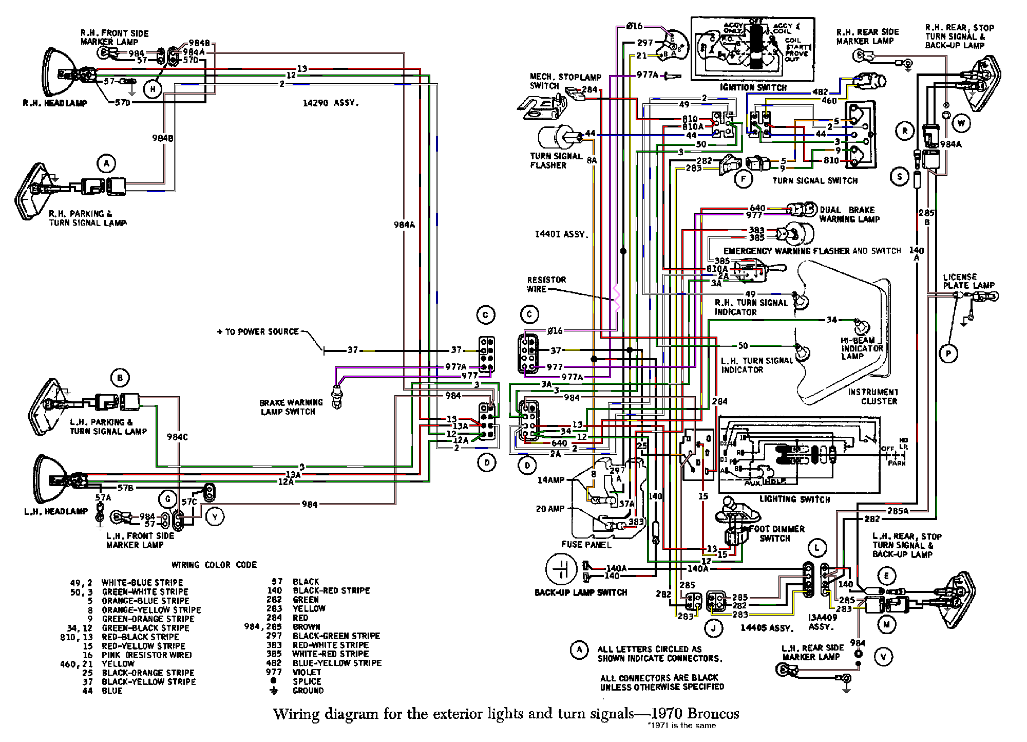
. This simplified ignition system wiring diagram applies to the following 4.9l, 5.0l, and 1992, 1993 bronco. Tfi module, ignition coil, distributor pickup, electronic engine control relay coil.

60 Lovely ford 4610 Tractor Wiring Diagram Pictures ...
60 Lovely ford 4610 Tractor Wiring Diagram Pictures ... from wsmce.org
Ignition timing demostration 1990 ford f150. 07d4c 1994 ford bronco fuse box diagram digital resources. Ignition we're always looking for good content to share with other ford ranger enthusiasts.

Mustang diagrams including the fuse box and wiring schematics for the following year ford mustangs:

Mustang fuse & wiring diagrams. We go out of our way to carry every major line of ford bronco ignition modules, so that whether you are looking for a high performance ford bronco ignition module or a cheap electronic ignition module or anything in. 07d4c 1994 ford bronco fuse box diagram digital resources. 1979, 1980, 1981, 1982, 1983, 1984 ho firing order diagram.


Belum ada Komentar untuk "28+ 1994 Ford Bronco Ignition Wiring Diagram Images"

Posting Komentar

Iklan Atas Artikel

Iklan Tengah Artikel 1

Iklan Tengah Artikel 2

Iklan Bawah Artikel