37+ 140 Mercruiser Boat Wiring Diagrams Pictures

37+ 140 Mercruiser Boat Wiring Diagrams
Pictures
. Click on links for model pages with spec sheets, manuals, etc. Mx 6.2 mpi ecm 555 efi system engine wiring diagrams.

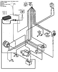
I am restoring a 19' 1989 stingray 5.7 Alpha One with ...
I am restoring a 19' 1989 stingray 5.7 Alpha One with ... from ww2.justanswer.com
If you are looking for a new wiring harness setup check out the options on our wiring harnesses water temp sender. 1974 mercruiser wiring diagram mercruiser engine diagram, wiring diagram. Click on links for model pages with spec sheets, manuals, etc.

Service manuals, wiring diagrams and owner's manual pdf.

The new function interactive electrical diagrams allows consulting the electrical diagrams taking advantage thanks to bluetooth technology, the technician can make a comfortable diagnosis without wires, even from the jetty. So, a diagram is in order to solve the source of the trouble. Does anyone have an online source of mercruiser wiring diagrams? If you are looking for a new wiring harness setup check out the options on our wiring harnesses water temp sender.


Belum ada Komentar untuk "37+ 140 Mercruiser Boat Wiring Diagrams Pictures"

Posting Komentar

Iklan Atas Artikel

Iklan Tengah Artikel 1

Iklan Tengah Artikel 2

Iklan Bawah Artikel