37+ 1998 Bmw 528I Wiring Diagram Pics

37+ 1998 Bmw 528I Wiring Diagram
Pics
. Savesave 1998 bmw e36 electrical wiring diagram for later. Free repair manuals & wiring diagrams.

Fuel pump only works on jumping the relay - Bimmerfest ...
Fuel pump only works on jumping the relay - Bimmerfest ... from www.bimmerfest.com
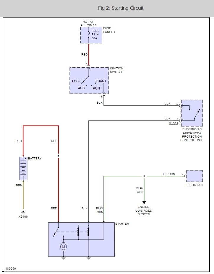
Bmw owner's & service pdf manuals. Diagrams for the following systems are included. Immobilizer ecu has 16 pins.

Diagrams for the following systems are included.

Find great deals on ebay for bmw 528i service manual. Bmw owner's & service pdf manuals. Bmw workshop manuals, bmw owners manuals, bmw wiring diagrams, bmw sales brochures and general miscellaneous bmw downloads. View online or download bmw 1998 528i service manual.


Belum ada Komentar untuk "37+ 1998 Bmw 528I Wiring Diagram Pics"

Posting Komentar

Iklan Atas Artikel

Iklan Tengah Artikel 1

Iklan Tengah Artikel 2

Iklan Bawah Artikel