View 1989 Shelby Dakota Wiring Diagram PNG

View 1989 Shelby Dakota Wiring Diagram
PNG
. Mie wire color code chart splice locations. Hell, shelby dakota #1 sold for only $39,000, but it was immaculate.

33 2001 Dodge Dakota Wiring Diagram - Wiring Diagram List
33 2001 Dodge Dakota Wiring Diagram - Wiring Diagram List from i0.wp.com
I'm getting no fuel to the carburetor. The wiring diagram for the power windows on a 1988 dodge dakota can be found in its manual. Unfortunately, that engine was pulled straight from the.

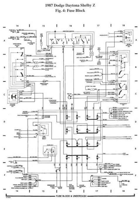
This typical circuit diagram includes the following circuits:

Mie wire color code chart splice locations. Headlight fog light wiring diagram. Look for books about automotive repair that are specific for that vehicle. 1993 dakota wiring diagram | wiring diagram database.


Belum ada Komentar untuk "View 1989 Shelby Dakota Wiring Diagram PNG"

Posting Komentar

Iklan Atas Artikel

Iklan Tengah Artikel 1

Iklan Tengah Artikel 2

Iklan Bawah Artikel