View 1992 Ford Crown Victoria Wiring Diagram Pics

View 1992 Ford Crown Victoria Wiring Diagram
Pics
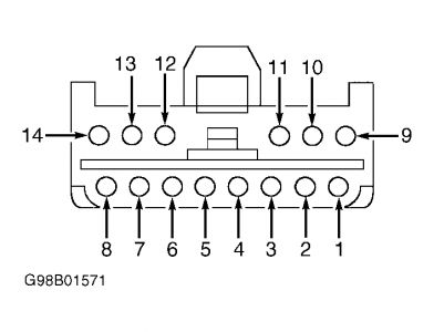
. 1992 ford crown victoria fuse box diagram. Each ford crown victoria repair manual contains the detailed description of works and wiring diagrams.

Wipers :-(: Have High Speed Only. Lost Low and ...
Wipers :-(: Have High Speed Only. Lost Low and ... from www.2carpros.com
Here's a link specific to your car. Need wiring diagram for 2008 ford crown victoria. In most cases, their diagrams are right from the factory manuals.

If your crown victoria is experiencing electrical problems, you should always check the fuses first, because they are relatively easy to check and cheap to change.

We have 41 ford crown manuals covering a total of 33 years of production. Need wiring diagram for 2008 ford crown victoria. Unikatowe, personalizowane i ręcznie robione przedmioty z części i akcesoria samochodowe naszych sklepów. Here's a link specific to your car.


Belum ada Komentar untuk "View 1992 Ford Crown Victoria Wiring Diagram Pics"

Posting Komentar

Iklan Atas Artikel

Iklan Tengah Artikel 1

Iklan Tengah Artikel 2

Iklan Bawah Artikel