19+ 1989 Gmc Sierra Window Wiring Diagrams Locks Background

19+ 1989 Gmc Sierra Window Wiring Diagrams Locks
Background
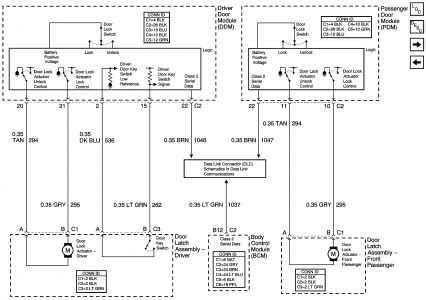
. They had power locks and manual windows. Diagrams for the following systems are.

OEM Tail Light Lamp Wiring Harness LH Driver Side for ...
OEM Tail Light Lamp Wiring Harness LH Driver Side for ... from i.ebayimg.com
The diagrams for getrag 290 or hm290 show slightly different internals so i'm stuck. Developed since 1989, a new hoodless trunk tractor with an aluminum tilting cab was offered since 1993 under the index flb (6 × 4). Carmanualshub.com automotive pdf manuals, wiring diagrams, fault codes, reviews, car manuals and news!

Gmc sierra parts at gmpartsgiant.

If you need to take apart the steering column you will also need wiring. Wiring removal from another installer. Chevrolet silverado:gmc sierra all pick up electrical section. Plug in the wiring harness and lock rods.


Belum ada Komentar untuk "19+ 1989 Gmc Sierra Window Wiring Diagrams Locks Background"

Posting Komentar

Iklan Atas Artikel

Iklan Tengah Artikel 1

Iklan Tengah Artikel 2

Iklan Bawah Artikel