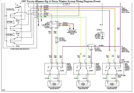
37+ 1988 Toyota Electric Windows Wiring Diagram Pics

37+ 1988 Toyota Electric Windows Wiring Diagram
Pics
. Download as pdf or read online from scribd. 1992 toyota camry power window troubleshooting.

1988 Toyota Pickup Wiring Diagram - Wiring Diagram
1988 Toyota Pickup Wiring Diagram - Wiring Diagram from detoxicrecenze.com
I'm troubleshooting a complete electrical failure, and it would come in handy. 1992 toyota camry power window troubleshooting. The testing procedure shown in this video can be applied to any reverse polarity dc electric motor.

Toyota corona rear window defogger electric circuit diagram.

Looking at a wiring diagram an testing the electrical circuit is the way to diagnose. You may have already seen the gm (saturn vue) electric power steering swap information posted here. This manual provides information on the electrical circuits installed on vehicles by dividing them into a circuit for each system. 1988 toyota supra electrical wiring diagram manual.


Belum ada Komentar untuk "37+ 1988 Toyota Electric Windows Wiring Diagram Pics"

Posting Komentar

Iklan Atas Artikel

Iklan Tengah Artikel 1

Iklan Tengah Artikel 2

Iklan Bawah Artikel