44+ 1992 Acura Legend 3 2L Fuse Box Diagram Wiring PNG

44+ 1992 Acura Legend 3 2L Fuse Box Diagram Wiring
PNG
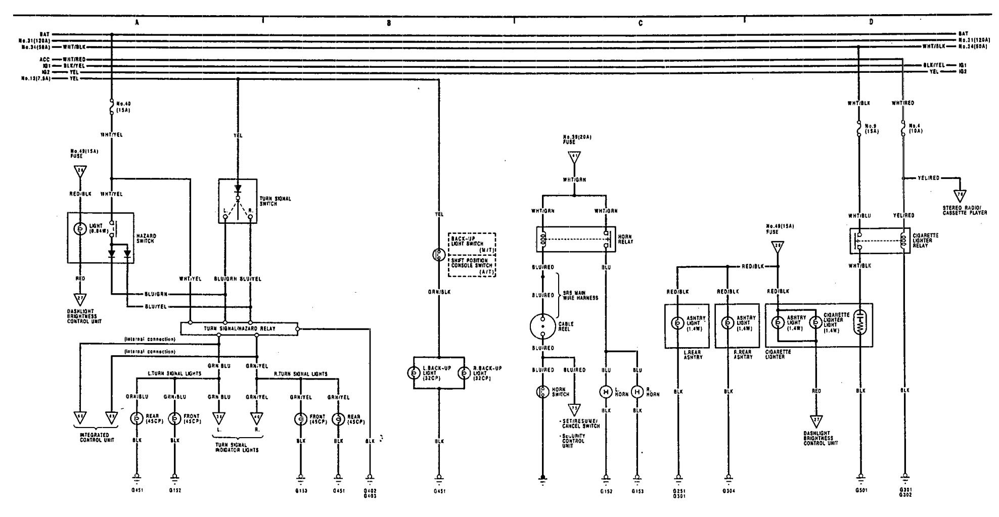
. Fuse panel layout diagram parts: Acura legend starting system wiring diagram.

Acura Legend (1991 - 1992) - wiring diagram - cigar ...
Acura Legend (1991 - 1992) - wiring diagram - cigar ... from www.carknowledge.info
The defogger and antenna wires on the inside of the rear window can be accidentally damaged. A previous owner did try to wire fog lights or something into the low beams but i checked the splice and it's good. Terminal and harness assignments for individual connectors will vary depending on vehicle equipment level, model, and market.

Car fusebox and electrical wiring diagram.

Am lookin for a 94 acura legend coupe with bose wiring diagram. Wifey spilled water on passenger seat, airbag light came on. Fuse box diagram (location and assignment of electrical fuses) for acura cl (2000, 2001, 2002, 2003). The video above shows how to replace blown fuses in the interior fuse box of your 1999 acura tl in addition to the fuse panel diagram location.


Belum ada Komentar untuk "44+ 1992 Acura Legend 3 2L Fuse Box Diagram Wiring PNG"

Posting Komentar

Iklan Atas Artikel

Iklan Tengah Artikel 1

Iklan Tengah Artikel 2

Iklan Bawah Artikel