50+ 1996 S15 Abs Wiring Diagram Background

50+ 1996 S15 Abs Wiring Diagram
Background
. I am needing an abs wiring diagram for a 2010 explorer 4.0 eddie bauer. How to use honda wiring diagrams 1996 to 2005 training module trailer.

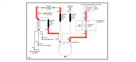
Lincoln Continental 1996 Electrical Circuit Wiring Diagram ...
Lincoln Continental 1996 Electrical Circuit Wiring Diagram ... from www.carfusebox.com
This is the official toyota corolla 1996 model wiring diagram. I am needing an abs wiring diagram for a 2010 explorer 4.0 eddie bauer. Abs power fuse holder connector.

The #1 ford explorer enthusiast resource since 1996.

Provides circuit diagrams showing the circuit connections. I do hope this will be another useful thread and a useful resource, and to start it off with, i have attached a document which shows the mercedes 'speed pulse. How to use honda wiring diagrams 1996 to 2005 training module trailer. Manual is not very helpful on abs problems.


Belum ada Komentar untuk "50+ 1996 S15 Abs Wiring Diagram Background"

Posting Komentar

Iklan Atas Artikel

Iklan Tengah Artikel 1

Iklan Tengah Artikel 2

Iklan Bawah Artikel