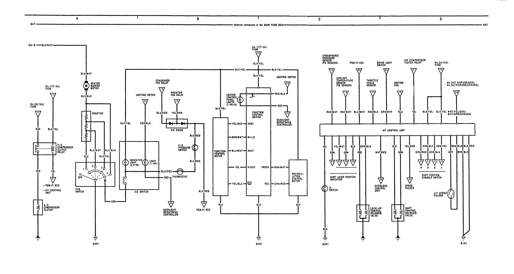
View 1991 Acura Integra Wiring Diagram Gif

View 1991 Acura Integra Wiring Diagram
Gif
. Each acura repair manual contains the detailed description of works and wiring diagrams. The owner's manual explains the various features and functions of your acura, offers operation tips and suggestions for vehicle care and maintenance, provides specific details on safety systems, and includes comprehensive technical.

Wiring Machine: Wiring Diagram For 1991 Acura Legend
Wiring Machine: Wiring Diagram For 1991 Acura Legend from lh3.googleusercontent.com
Wiring diagrams acura integra 1995. Acura integra repair manuals & wiring diagrams. For a printed owner's manual, click on authorized manuals or go to www.helminc.com.

Anyone got a wiring diagram for a 3rd gen tl?

Me and buddy of mine want to install a viper 791xv ourselves. Find the acura stereo wiring diagram you every acura stereo wiring diagram contains information from other acura owners. In the table below you can see 0 integra workshop manuals,0 integra owners manuals and 2 miscellaneous honda integra downloads. Automobile acura integra 1998 service manual.


Belum ada Komentar untuk "View 1991 Acura Integra Wiring Diagram Gif"

Posting Komentar

Iklan Atas Artikel

Iklan Tengah Artikel 1

Iklan Tengah Artikel 2

Iklan Bawah Artikel