View 1993 Jeep Cherokee Ignition Wiring Diagram Images

View 1993 Jeep Cherokee Ignition Wiring Diagram
Images
. 5.2l v8 jeep grand cherokee: 1996 jeep cherokee sport with an open or short connection between the ignition swith and starter relay.

Ok i got an 89 jeep cherokee laredo that just dies while ...
Ok i got an 89 jeep cherokee laredo that just dies while ... from ww2.justanswer.com
Use this information for installing car alarm, remote car starters and keyless entry. Fuse box diagrams (location and assignment of electrical fuses and relays) jeep grand cherokee (wj; A wiring diagram is a simplified traditional pictorial depiction of an electric circuit.

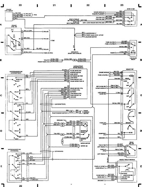
This simplified ignition system wiring diagram applies to the following vehicles:

1993 wiring diagrams jeep wiring diagrams. 1993 engine performance chrysler corp. This simplified ignition system wiring diagram applies to the following vehicles: The 1990 jeep grand cherokee power locks wiring diagram can be obtained from most jeep dealerships.


Belum ada Komentar untuk "View 1993 Jeep Cherokee Ignition Wiring Diagram Images"

Posting Komentar

Iklan Atas Artikel

Iklan Tengah Artikel 1

Iklan Tengah Artikel 2

Iklan Bawah Artikel