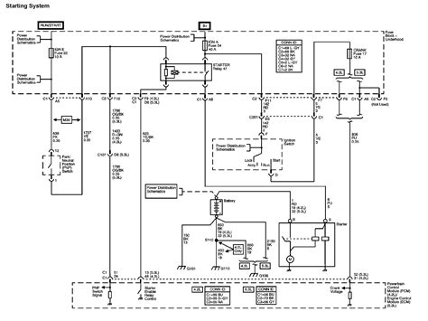
26+ 05 Trailblazer Wiring Diagram Pics

26+ 05 Trailblazer Wiring Diagram
Pics
. The following tutorial will help you test the ignition coils: Wiring diagram for 92 chevy blazer.

I have a 2002 Impala 3.8L and I need to know which black ...
I have a 2002 Impala 3.8L and I need to know which black ... from ww2.justanswer.com
2006 trailblazer stereo wiring diagram 2007 4 2l chevrolet schematic pcm pinout fuse box search radio harness chevy silverado 04 audio diagrams 59dea9b 2003 malibu 2004 tahoe. Related manuals for chevrolet trailblazer. Looking for programming instructions for your 2006 chevrolet trailblazer keyless entry remote?

Tire/wheel certification label incorrectly printed.

If you are rewiring your trailer completely, check out our trailer rewiring guide. The following tutorial will help you test the ignition coils: Actros nummek units wiring diagram. Control unit rear hm module.


Belum ada Komentar untuk "26+ 05 Trailblazer Wiring Diagram Pics"

Posting Komentar

Iklan Atas Artikel

Iklan Tengah Artikel 1

Iklan Tengah Artikel 2

Iklan Bawah Artikel