31+ 1994 Honda Civic Dash Lights Wiring Diagram Pics

31+ 1994 Honda Civic Dash Lights Wiring Diagram
Pics
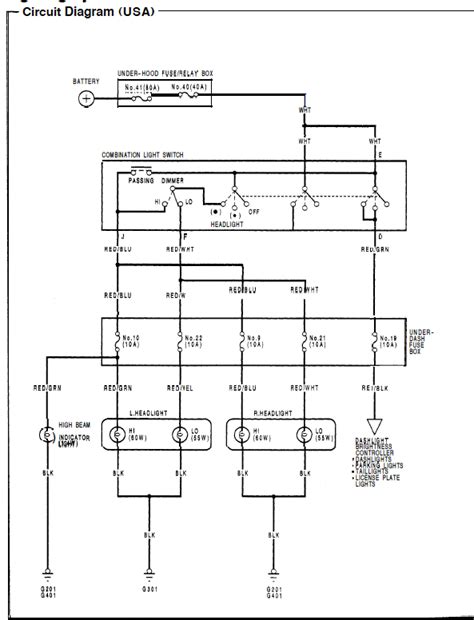
. Connects dash light bulb to dimmer switch on. Wiring diagrams for a 1981 honda civic are available through service repair manuals and auto part store chains.

Fog lights '09 civic coupe - Bought direct replacement fog ...
Fog lights '09 civic coupe - Bought direct replacement fog ... from ww2.justanswer.com
#1 ohenry, oct 15, 2018. Why does my battery light go off when i come to a stop but as soon as i go it turns back disconected the battery and engine stayed on so can it still be the alternator on my 1994 honda civic dx. Vvdi key tool remote unlock wiring diagram v2.0.

Make and model > honda > civic > 1996 honda civic fuse layout.

A dash trim is made up of 3 layers. Diagrams for the following systems are included : All of this information is taken from a 2008 honda civic! A wiring diagram, for your 1999 honda civic, can be obtained from most honda dealerships.


Belum ada Komentar untuk "31+ 1994 Honda Civic Dash Lights Wiring Diagram Pics"

Posting Komentar

Iklan Atas Artikel

Iklan Tengah Artikel 1

Iklan Tengah Artikel 2

Iklan Bawah Artikel