36+ 1994 Chevy S10 V6 Ignition Wiring Diagram PNG

36+ 1994 Chevy S10 V6 Ignition Wiring Diagram
PNG
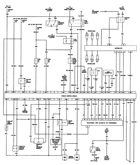
. This is an incomplete collection of various schematics for chevrolet cars and trucks. This typical circuit diagram of the ignition coil, ignition control module, and pickup coil applies to:

1969-1994 All Makes All Models Parts | 1990084 | 1969-94 ...
1969-1994 All Makes All Models Parts | 1990084 | 1969-94 ... from www.autopartsdb.net
01 s10 blazer ignition harness/switch. Without pushing the accelerator pedal, turn your ignition key to start. This simplified wiring diagram of the ignition system applies only to 1992, 1993, 1994 and 1995 2.2l toyota camry.

94 1994 chevrolet s10 fuel injector 4.3l v6 l35 gb remanufacturing.

I need two wiring diagrams 1. On this page you can free download workshop repair manuals pdf for volvo trucks, and also fault codes pdf and wiring diagrams. Hey was up i need a wiring diagram for a 1994 chevy s10 2.2 reg cab for radio and tail lights harness. 1989 chevy truck steering column diagram and chevy ignition switch wiring help hot rod repair guides wiring diagrams autozone com throughout 1994 chevy silverado diagram.


Belum ada Komentar untuk "36+ 1994 Chevy S10 V6 Ignition Wiring Diagram PNG"

Posting Komentar

Iklan Atas Artikel

Iklan Tengah Artikel 1

Iklan Tengah Artikel 2

Iklan Bawah Artikel