Get 06 Dodge Ram Wiring Diagram Headlights Background

Get 06 Dodge Ram Wiring Diagram Headlights
Background
. Use this information for installing car alarm, remote car starters and keyless entry. Please accept this solution and revert for any clarifications.

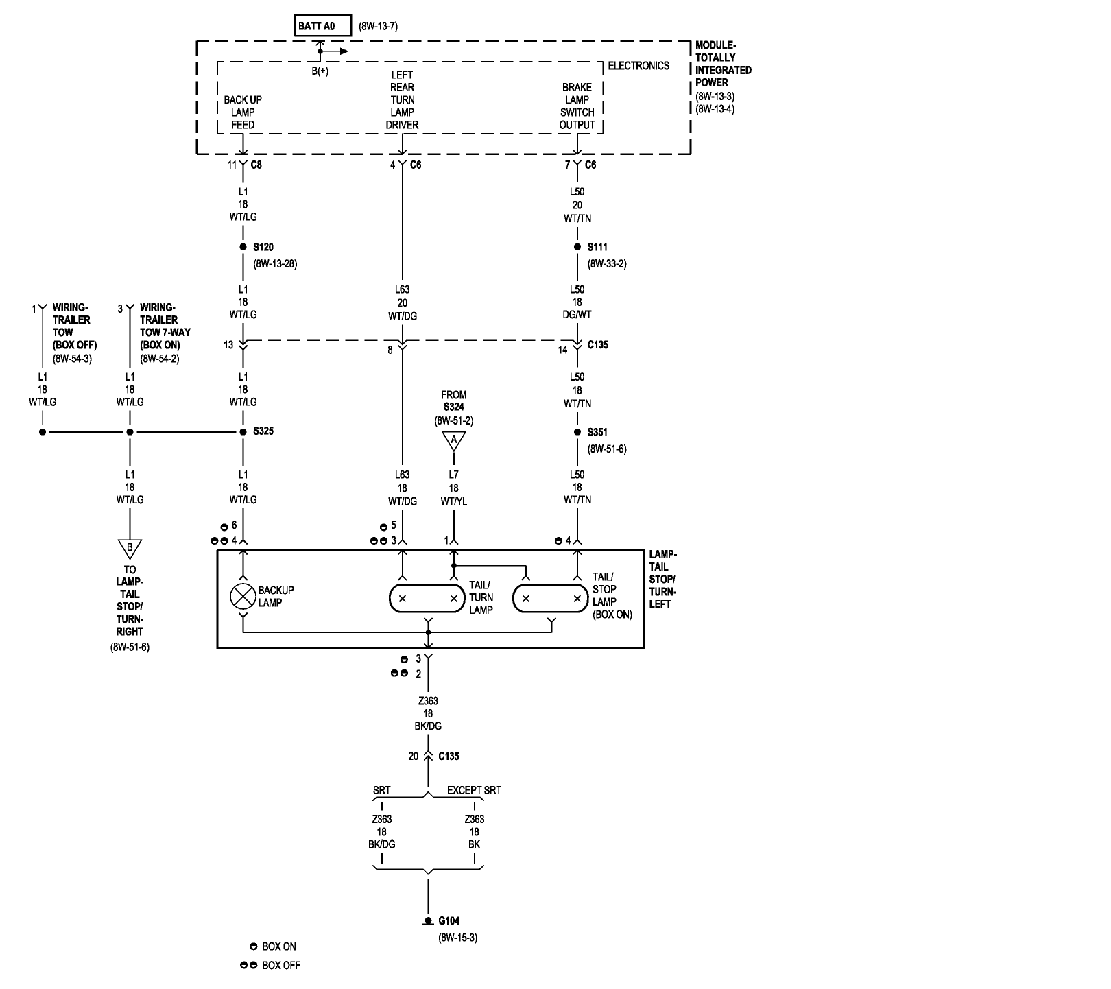
2001 Dodge Ram 1500 Headlight Wiring Diagram Pics - Wiring ...
2001 Dodge Ram 1500 Headlight Wiring Diagram Pics - Wiring ... from i1.wp.com
Ha, sometimes it's fun being a dodge owner, i can't believe i anyway, now i have these sport headlights coming and i want to do it right and fix these headlights once and for all. The new dodge ram are larger in size, more economical, and feature handsome design both inside. Out of the box these lights are of very good quality.

A sequential turn signal light with and.

Any user assumes the entire risk as to the accuracy and use of this information. Has rec radio with infinity speaker system. Need replacement wiring harness for your dodge ram? Installation was easy but not having instructions was annoying.


Belum ada Komentar untuk "Get 06 Dodge Ram Wiring Diagram Headlights Background"

Posting Komentar

Iklan Atas Artikel

Iklan Tengah Artikel 1

Iklan Tengah Artikel 2

Iklan Bawah Artikel