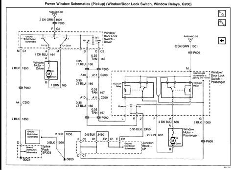
Get 1990 Chevy 1500 Driver Door Wiring Diagram PNG

Get 1990 Chevy 1500 Driver Door Wiring Diagram
PNG
. Solved location for fuel pump driver module for 2003 f150 fixya. Diagram electric 2006 chevrolet van 1500 best wiring library.

94 Chevy 1500 Fuse Diagram - Wiring Data
94 Chevy 1500 Fuse Diagram - Wiring Data from ww2.justanswer.com
I have the diagram for the 95 door harness/master switch, easily found googling 95 grand cherokee door wiring diagram. 2002 chevy trailblazer wiring diagram additionally dodge ram front. The 1990 through 1992 cadillac dashboard wiring diagram can be obtained from most cadillac dealerships.

Motor power with brake wires, speedtec din connector.

1992, 1993, 1994, 1995 chevrolet/gmc 1500, 2500, and 3500 pick up and suburban equipped with a 4.3l v6, or a 5.0l v8, or a 5.8l v8 engine. The #2 wire ensures the 14.4 or so output is fed to the entire system, eliminating. Alibaba.com offers 893 220v motor wiring diagram products. 1990 chrysler town & country wire wire color 12v constant wire red starter wire yellow ignition wire dk.


Belum ada Komentar untuk "Get 1990 Chevy 1500 Driver Door Wiring Diagram PNG"

Posting Komentar

Iklan Atas Artikel

Iklan Tengah Artikel 1

Iklan Tengah Artikel 2

Iklan Bawah Artikel