21+ 1997 Chevy Suburban Wiring Diagram Gif

21+ 1997 Chevy Suburban Wiring Diagram
Gif
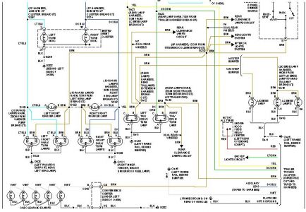
. 106 chevrolet suburban workshop, owners, service and repair manuals. Download chevrolet suburban mirror wiring diagram for free.

1999 Chevrolet Chevy Wiring Diagram | Diagram for Reference
1999 Chevrolet Chevy Wiring Diagram | Diagram for Reference from 2.bp.blogspot.com
If you can't find your car radio wiring diagram, factory radio wire colors or stereo wire diagram on modified life, please feel free to post a car wiring diagram. You win the shortest question ever asked prize. Or is a 2500 model?

Read reviews, browse our car inventory, and more.

And would like to share them, please send to chevymanuals@yahoo.com. Chevrolet silverado chevrolet k5 blazer chevrolet suburban. L awd astro & safari. Read reviews, browse our car inventory, and more.


Belum ada Komentar untuk "21+ 1997 Chevy Suburban Wiring Diagram Gif"

Posting Komentar

Iklan Atas Artikel

Iklan Tengah Artikel 1

Iklan Tengah Artikel 2

Iklan Bawah Artikel