26+ 1990 Wrangler Yj Wiring Diagram Background

26+ 1990 Wrangler Yj Wiring Diagram
Background
. Savesave jeep wrangler yj fsm wiring diagrams for later. Any help would be great.

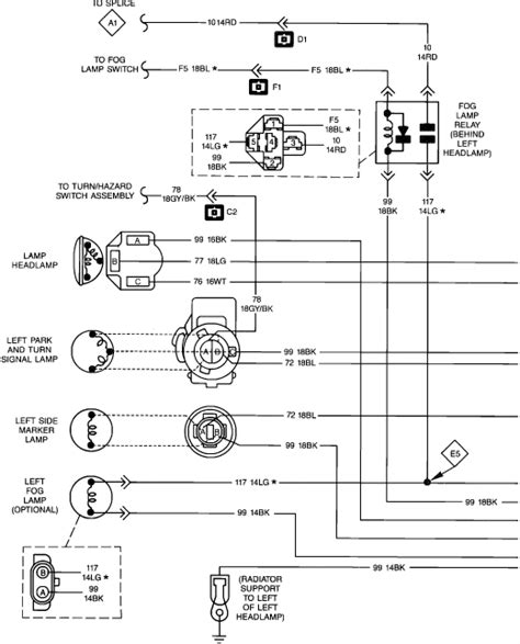
1990 Jeep Wrangler Tail Light Wiring Diagram - Wiring Diagram
1990 Jeep Wrangler Tail Light Wiring Diagram - Wiring Diagram from www.justanswer.com
1978 toyota l cruiser manual navmed p 5010. Online manual jeep > jeep wrangler. Any chance you have wiring for a jku ('15 if needed specifically)?

Rc sent from my iphone.

1:16 solopdf com 9 просмотров. 1989 jeep wrangler yj, 2.5 liter, my book says i have a crankshaft sensor, but does not show where it is. Gauges include the speedometer, tachometer, 4wd according to the '95 wrangler owner's manual, the bottom half of that gauge is unused: 5115283 jeep 1995 yj fsm wiring diagrams.


Belum ada Komentar untuk "26+ 1990 Wrangler Yj Wiring Diagram Background"

Posting Komentar

Iklan Atas Artikel

Iklan Tengah Artikel 1

Iklan Tengah Artikel 2

Iklan Bawah Artikel