37+ 04 Ram 1500 Wiring Diagram Background

37+ 04 Ram 1500 Wiring Diagram
Background
. Automotive wiring in a 2002 dodge ram 1500 vehicles are becoming increasing more difficult to identify due to the installation of more advanced feel free to use any dodge ram 1500 car stereo wiring diagram that is listed on modified life but keep in mind that all information here is provided as. View and download ram 1500 service manual online.

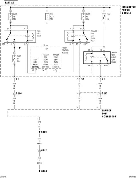
1995 Dodge Ram 1500 Tail Light Wiring Diagram - Wiring Diagram
1995 Dodge Ram 1500 Tail Light Wiring Diagram - Wiring Diagram from www.justanswer.com
Ave a 2002 dodge ram 1500. Im installing a new pioneer stereo and when i opened the dash the plug has been cut and is missing meaning i will have to. This simplified ignition system wiring diagram applies to the following vehicles:

Chrysler wiring diagrams site has a list of diagrams searchable by year, make and engine, or by using your vin.

Where can i get a wiring diagram for the 2010 rams? 12,750 lbs (5,783 kg) / 1,275 lbs (578 kg). Dave it has to be 00 only on ram 1500 4x4 i need to get color code for where tht wire runs too so i can make sure there is no problem on tht end i've got too much. The best diagram you,ll probably be able to get on wiring will come from a repair manual ,the ones i have found on line,have spots that wont show up and they leave out important details when they do this,i looked and on that one i couldn't find anything 4 years ago.


Belum ada Komentar untuk "37+ 04 Ram 1500 Wiring Diagram Background"

Posting Komentar

Iklan Atas Artikel

Iklan Tengah Artikel 1

Iklan Tengah Artikel 2

Iklan Bawah Artikel