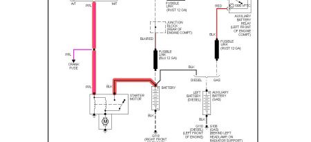
Download 1989 Chevrolet Silverado Wiring Diagram Pictures

Download 1989 Chevrolet Silverado Wiring Diagram
Pictures
. The ninety two silverado has a working laptop or computer chip for you to purchase for it that will enhance the final overall performance of the motor. Installing a stereo into your chevy silverado is easy to do with our truck audio wiring diagram.

I have a 1989 Chevy Silverado pick-up. The radio has ...
I have a 1989 Chevy Silverado pick-up. The radio has ... from www.justanswer.com
Lacetti ignition switch circuit diagram. March 31st, 2012 posted in chevrolet silverado. Black car radio illumination wire:

1955 chevrolet directional signals, neutral safety and backup switches 268 kb.

Evaporative emission control system diagram chevy pdf file'p0440 evap system within diagram wiring and engine 2006 chevrolet silverado 1500 owner's manual. Download silverado truck related documentation and digital goods for free. Be sure to consult your owner's manual or the diagrams on the underside of the fuse box lids for exact fuse locations. Chevrolet silverado service & repair manuals.


Belum ada Komentar untuk "Download 1989 Chevrolet Silverado Wiring Diagram Pictures"

Posting Komentar

Iklan Atas Artikel

Iklan Tengah Artikel 1

Iklan Tengah Artikel 2

Iklan Bawah Artikel