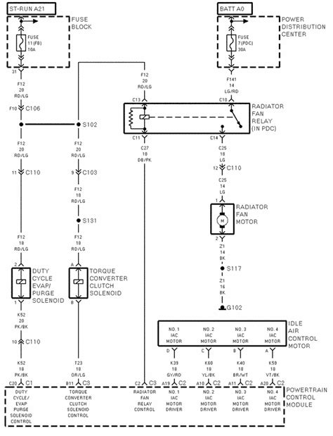
Get 1997 Jeep Wrangler 4 0L Wiring Diagram Pics

Get 1997 Jeep Wrangler 4 0L Wiring Diagram
Pics
. 2011 rclb silverado, it's got the power i need. View and download jeep wrangler 1997 manual online.

ME_9776 1989 Jeep Wrangler Ignition Wiring Wiring Diagram
ME_9776 1989 Jeep Wrangler Ignition Wiring Wiring Diagram from static.manonellamano.org
2001 jeep wrangler sport 4.0l. Air intake temperature sensor & engine coolant temperature sensor. Multifunction switch harness repair kit;

1997 jeep wrangler track bar.

This engine is one of the most popular engines that jeep has ever put into their vehicles. Includes connector, wiring, terminals, shrink tubing and clips. Jeep wrangler workshop, repair and owners manuals for all years and models. Introduced in april, 1996 as a 1997 model.


Belum ada Komentar untuk "Get 1997 Jeep Wrangler 4 0L Wiring Diagram Pics"

Posting Komentar

Iklan Atas Artikel

Iklan Tengah Artikel 1

Iklan Tengah Artikel 2

Iklan Bawah Artikel