View 139Qmb 50Cc Scooter Wiring Diagram Pictures

View 139Qmb 50Cc Scooter Wiring Diagram
Pictures
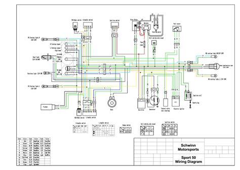
. Consider donating to keep this site alive and growing if you find it helpful. Length (end to end) 4.5;

Mobility Scooter Wiring Diagram | Free Wiring Diagram
Mobility Scooter Wiring Diagram | Free Wiring Diagram from ricardolevinsmorales.com
Поршень 47,25 мм 4 такт.скутер 139qmb (gy6) 70cc тюнинг (кольца, палец, стопорн. Part 1 ignition and locks, part 2 battery and wiring. Length (end to end) 4.5;

Стоковая гбц + тюнинговая цпг.

Part 1 ignition and locks, part 2 battery and wiring. Consider donating to keep this site alive and growing if you find it helpful. Мопед орион 50 кубов 16. Voltage gy6 250cc keihin carburetor with electric choke.


Belum ada Komentar untuk "View 139Qmb 50Cc Scooter Wiring Diagram Pictures"

Posting Komentar

Iklan Atas Artikel

Iklan Tengah Artikel 1

Iklan Tengah Artikel 2

Iklan Bawah Artikel